EasyManua.ls Logo

wsm M8540NARROW - Air Conditioner

wsm M8540NARROW
303 pages
Print Icon
To Next Page IconTo Next Page
To Next Page IconTo Next Page
To Previous Page IconTo Previous Page
To Previous Page IconTo Previous Page
Loading...
ELECTRICAL SYSTEM
M8540Narrow, M9540Narrow, WSM
N9-M21
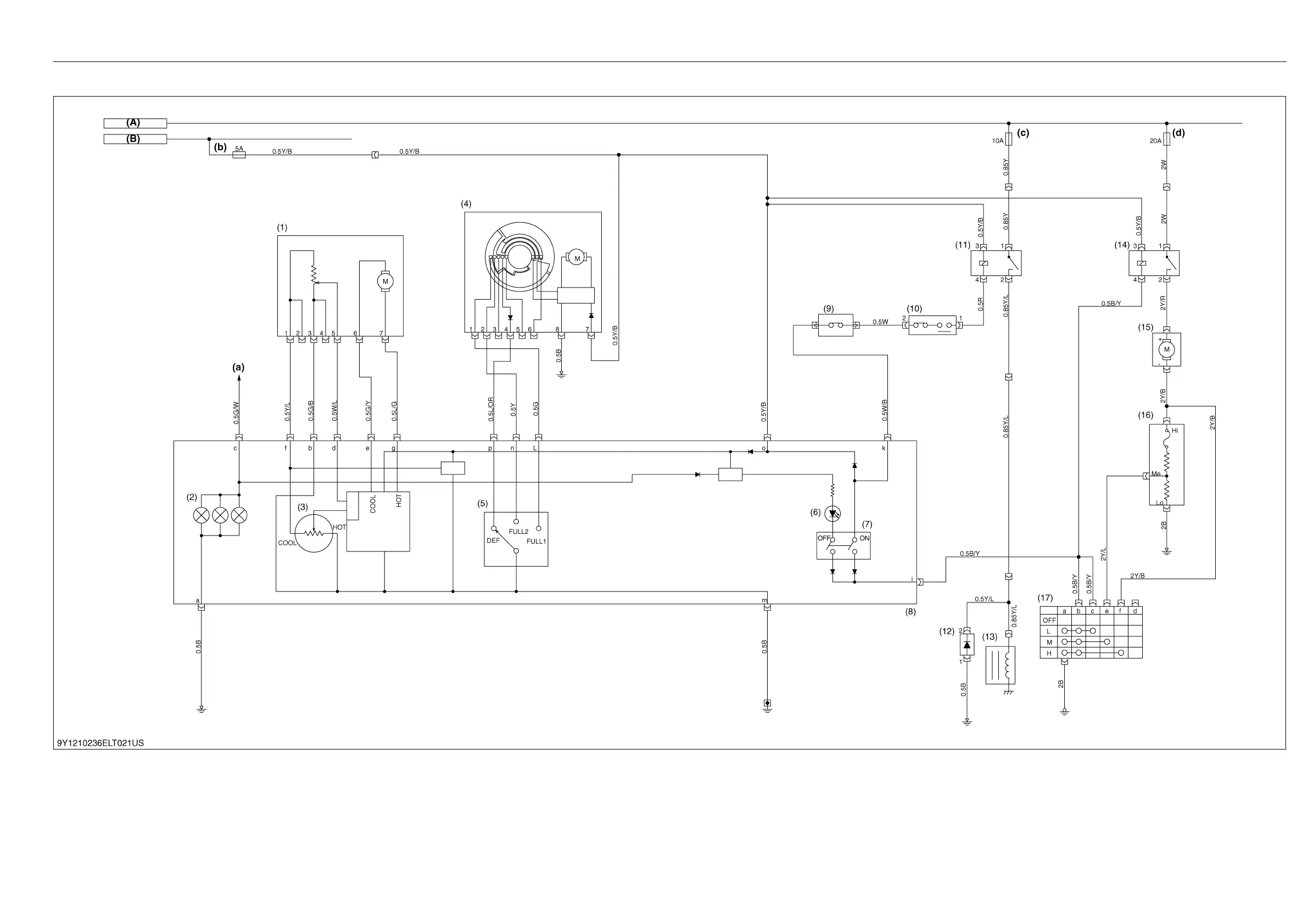
(8) Air Conditioner
(1) Servomotor Temperature Control
(2) llumination Lamp (14 V, 1.96 W)
(3) Temperature Control Volume
(4) Servomotor Mode
(5) Mode Select Switch
(6) A/C Indicator
(7) A/C Switch
(8) A/C Control Panel
(9) Thermostat
(10) Dual Pressure Switch
(11) Compressor Relay
(12) Diode (Compressor)
(13) Magnetic Clutch Compressor
(14) Blower Relay
(15) Blower Motor
(16) Blower Motor Resistor
(17) Switch Blower Motor (A/C Control Panel)
(A) Blower Motor
(B) Key ACC
(a) To Light Switch
(b) Fuse (Air Con: Control)
(c) Fuse (Air Con: Compressor)
(d) Fuse (Air Con: Fan Motor)
KiSC issued 07, 2013 A

Table of Contents

Related product manuals