EasyManua.ls Logo

wsm M8540NARROW - Instrument Panel Board (Meter Panel) (ITA Model)

wsm M8540NARROW
303 pages
Print Icon
To Next Page IconTo Next Page
To Next Page IconTo Next Page
To Previous Page IconTo Previous Page
To Previous Page IconTo Previous Page
Loading...
ELECTRICAL SYSTEM
M8540Narrow, M9540Narrow, WSM
N9-M19
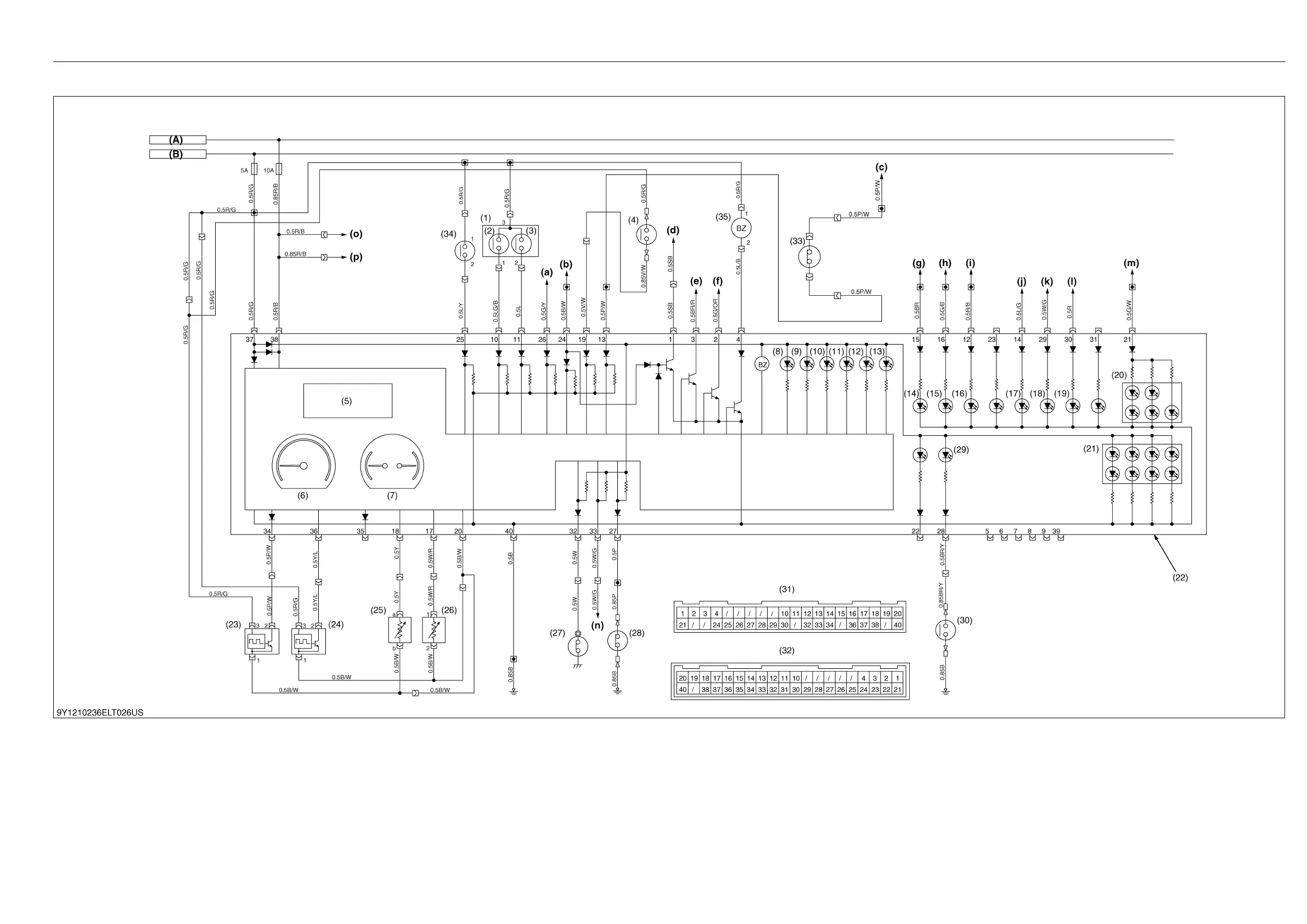
(6) Instrument Panel Board (Meter Panel) (ITA Model)
(1) Display Mode Select Switch
(2) PTO/Hour
(3) Speed Unit
(4) PTO Change Switch
(5) LCD Display
(6) Tacho Meter
(7) Fuel/Temperature Meter
(8) Engine Oil Pressure Indicator
(9) Charge Indicator
(10) PTO Indicator
(11) Heater Indicator
(12) Fuel Level Indicator
(13) Parking Indicator
(14) High Beam Indicator
(15) Turn Signal (L.H.) Indicator
(16) Turn Signal (R.H.) Indicator
(17) Trailer Indicator
(18) 4WD Indicator
(19) Bi-speed Turn Indicator
(20) Back Light
(21) LCD Back Light
(22) Meter Panel
(23) Traveling Speed Sensor
(24) Engine Rotation Sensor
(25) Fuel Sensor
(26) Engine Coolant Temperature Sensor
(27) Engine Oil Pressure Switch
(28) Parking Switch
(29) Air Cleaner Indicator
(30) Air Cleaner Switch
(31) Meter Panel (Wire Harness Side)
(32) Meter Panel Side
(33) Ground PTO Switch
(34) Seat Switch (M9540Narrow Cabin Model)
(35) OPC Buzzer (M9540Narrow Cabin Model)
(A) Key / Light
(B) Key IG
(a) To Front Steer Turning Angle
(b) To Main Key (Start)
(c) To PTO Switch
(d) To Heater Relay
(e) To Engine Stop Relay
(f) To DT/Bi-speed Turn Relay
(g) To Light Switch (High Beam)
(h) To Flasher Unit (Output L)
(i) To Flasher Unit (Output R)
(j) To Flasher Unit (Trailer)
(k) To Diode (4WD Brake)
(l) DT/Bi-speed Switch
(m) To Light Switch
(n) To Alternator
(o) To Dome Light
(p) To Head Light Harness (Horn)
KiSC issued 07, 2013 A

Table of Contents

Related product manuals