EasyManua.ls Logo

wsm M8540NARROW - Working Light and Radio

wsm M8540NARROW
303 pages
Print Icon
To Next Page IconTo Next Page
To Next Page IconTo Next Page
To Previous Page IconTo Previous Page
To Previous Page IconTo Previous Page
Loading...
ELECTRICAL SYSTEM
M8540Narrow, M9540Narrow, WSM
N9-M20
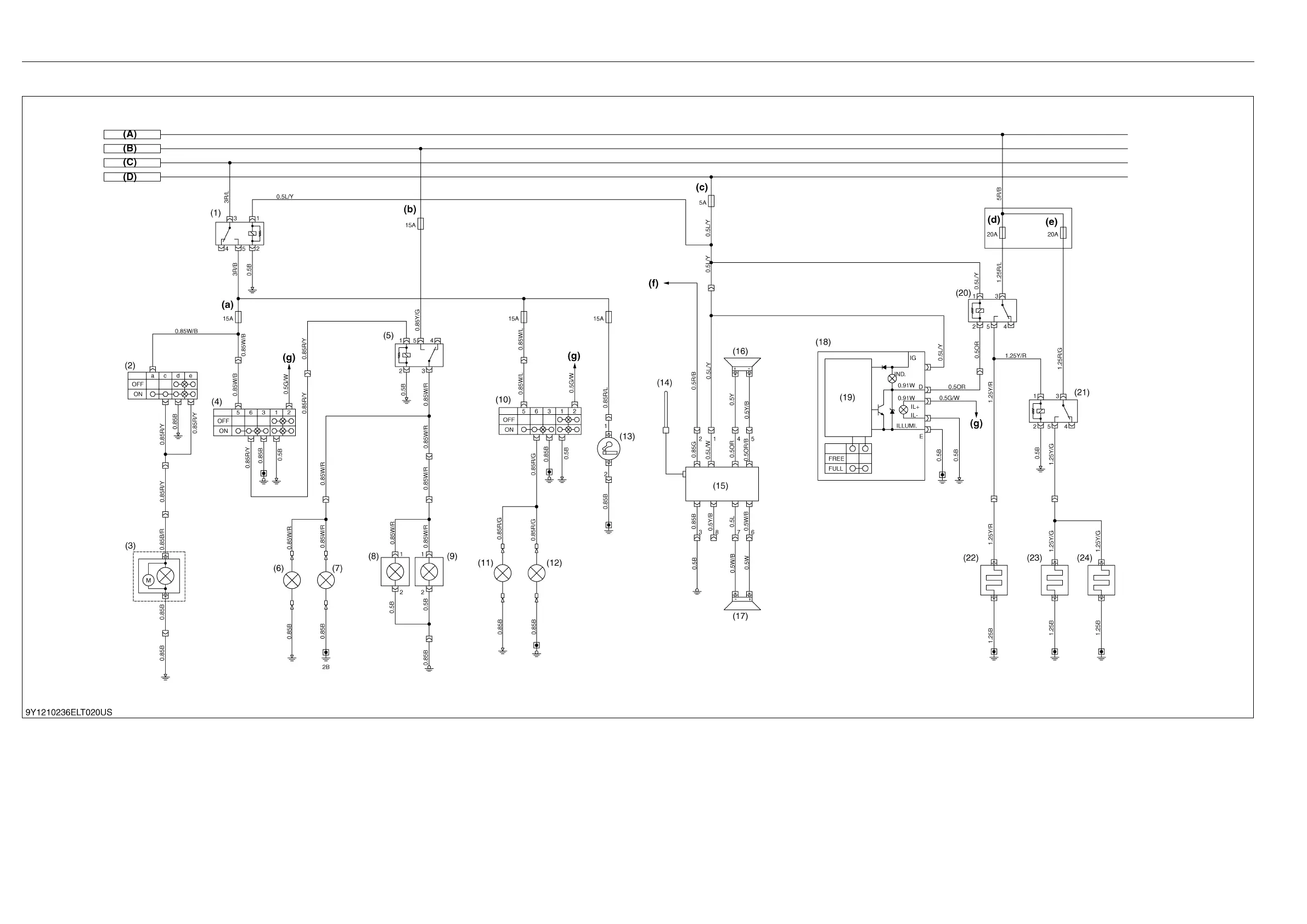
(7) Working Light and Radio
(1) Working Light Relay
(2) Beacon Switch (14 V, 1.12 W)
(3) Beacon (12 V, 5.5 A)
(4) Front Working Light Switch (14 V, 0.91 W)
(5) Front Side Working Light Relay
(6) Front Working Lamp L.H. (12 V, 55 W)
(7) Front Working Lamp R.H. (12 V, 55 W)
(8) Front Side Working Lamp L.H. (12 V, 21 W)
(9) Front Side Working Lamp R.H. (12 V, 21 W)
(10) Rear Working Light Switch (14 V, 0.91 W)
(11) Rear Working Lamp L.H. (12 V, 55 W)
(12) Rear Working Lamp R.H. (12 V, 5 5W)
(13) Cigarette Lighter
(14) Antenna
(15) Radio/CD Unit
(16) Speaker R.H.
(17) Speaker L.H.
(18) Defogger Switch
(19) Timer Circuit
(20) Defogger Relay (Rear Window)
(21) Defogger Relay (Quarter Window)
(22) Rear Window Defogger
(23) Quarter Window Defogger L.H.
(24) Quarter Window Defogger R.H.
(A) Light/DEF
(B) Blower Motor
(C) ACC
(D) Key ACC
(a) Fuse (Work Light Front)
(b) Fuse (Work Light Front Side)
(c) Fuse (Radio)
(d) Fuse (Defogger Quarter Window)
(e) Fuse (Defogger Rear Window)
(f) To Dome Light
(g) To Position Lamp
KiSC issued 07, 2013 A

Table of Contents

Related product manuals