EasyManua.ls Logo

wsm M8540NARROW - Cabin Model; Starting System and Charging (Except ITA Model)

wsm M8540NARROW
303 pages
Print Icon
To Next Page IconTo Next Page
To Next Page IconTo Next Page
To Previous Page IconTo Previous Page
To Previous Page IconTo Previous Page
Loading...
ELECTRICAL SYSTEM
M8540Narrow, M9540Narrow, WSM
N9-M14
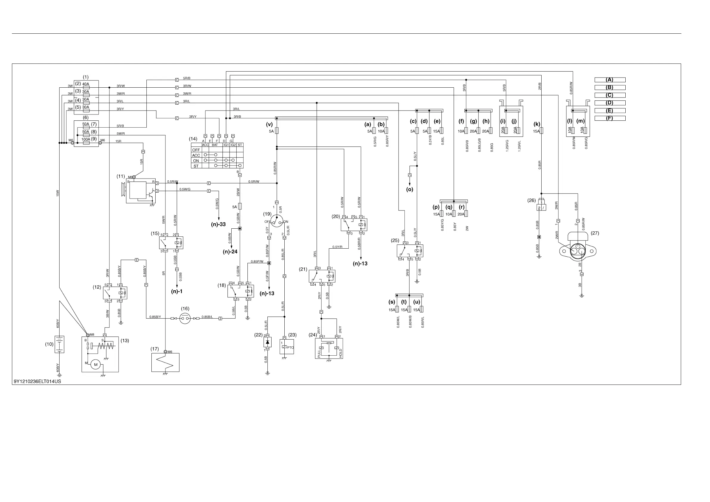
[2] CABIN MODEL
(1) Starting System and Charging (Except ITA Model)
(1) Slow Blow Fuse Box 2, 3
(2) Blower
(3) Auxiliary
(4) ACC
(5) KEY
(6) Slow Blow Fuse Box 1
(7) Light/Defogger
(8) Heater
(9) Charge
(10) Battery
(11) Alternator
(12) Starter Relay
(13) Starter Motor
(14) Main Key Switch
(15) Heater Relay
(16) Shuttle Neutral Switch
(17) Heater
(18) PTO Safety Relay
(19) PTO Switch
(20) Engine Stop Relay
(21) Key Stop Relay
(22) Diode (PTO Solenoid)
(23) PTO/DT Valve (Solenoid)
(24) Key Stop Solenoid
(25) Working Light Relay
(26) Auxiliary Power Connector
(27) Auxiliary Power Socket
(A) Head Light
(B) Blower Motor
(C) Auxiliary Power
(D) ACC
(E) Key ACC
(F) Key IG
(a) Fuse (Meter Panel)
(b) Fuse (Turn Signal)
(c) Fuse (Radio)
(d) Fuse (Air Conditioner (Control))
(e) Fuse (Wiper)
(f) Fuse (Meter Back Up, Radio)
(g) Fuse (Head Light, Tail Lamp)
(h) Fuse (Flasher (Hazard))
(i) Fuse (Quarter Window Defogger)
(j) Fuse (Rear Window Defogger)
(k) Fuse (Auxiliary Power)
(l) Fuse (Stop Lamp)
(m) Fuse (Transmission Control)
(n) To Meter Panel
(o) To Radio
(p) Fuse (Working Light (Front Side))
(q) Fuse (Air Conditioner (Compressor))
(r) Fuse (Air Conditioner (Fan Motor))
(s) Fuse (Working Light (Rear))
(t) Fuse (Working Light (Front)
(u) Fuse (Cigarette Lighter)
(v) Fuse (Alternator, PTO, Engine)
KiSC issued 07, 2013 A

Table of Contents