EasyManua.ls Logo

wsm M8540NARROW - Electrical Circuit; Electrical System

wsm M8540NARROW
303 pages
Print Icon
To Next Page IconTo Next Page
To Next Page IconTo Next Page
To Previous Page IconTo Previous Page
To Previous Page IconTo Previous Page
Loading...
CABIN
M8540Narrow, M9540Narrow, WSM
N10-M3
[3] ELECTRICAL SYSTEM
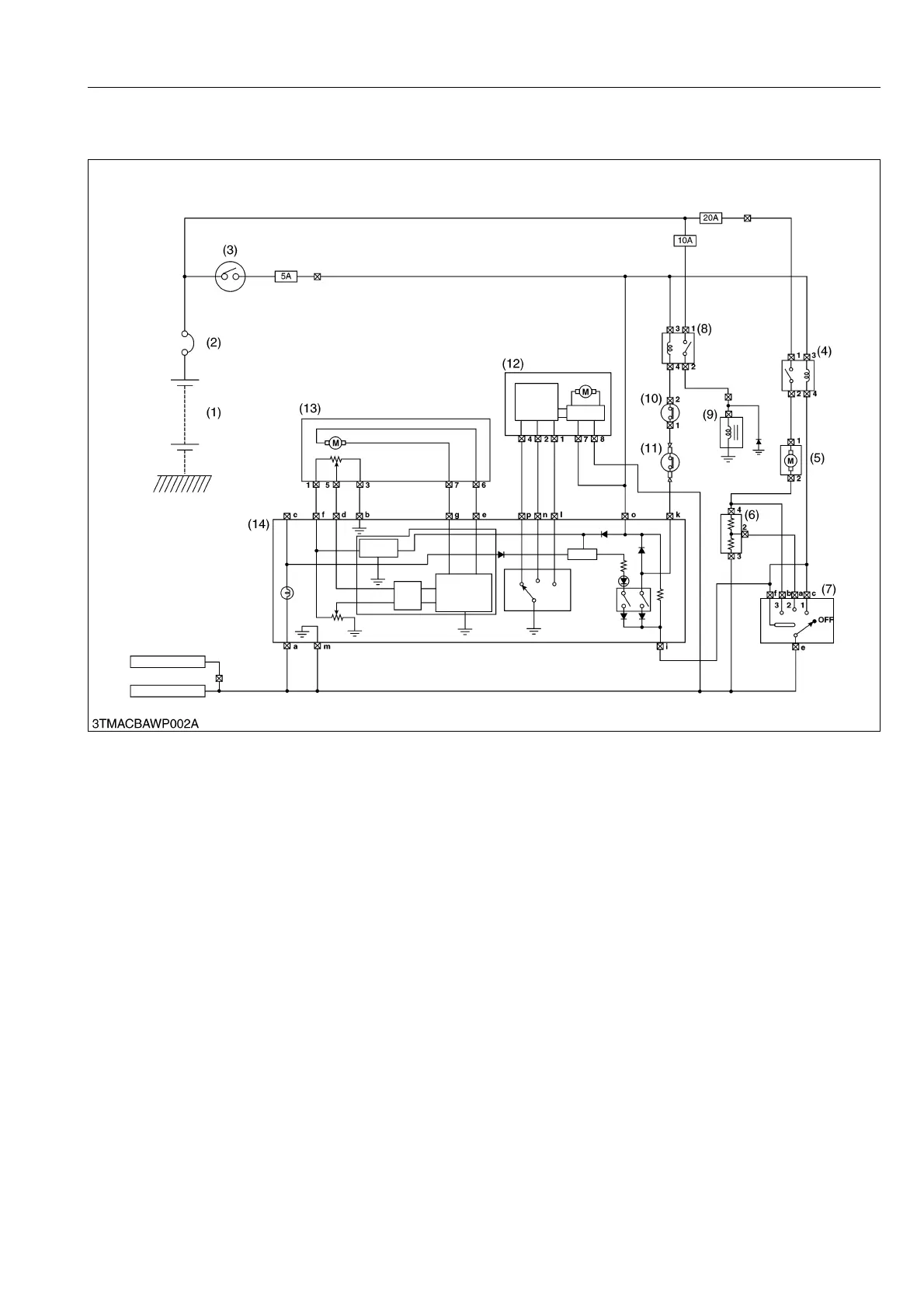
(1) Electrical Circuit
9Y1210236CAM0003US0
(1) Battery
(2) Slow Blow Fuse
(3) Main Switch
(4) Blower Relay
(5) Blower Motor
(6) Blower Resistor
(7) Blower Switch
(8) Compressor Relay
(9) Compressor
(10) Pressure Switch
(11) Thermostat
(12) Mode Motor
(13) Temperature Motor
(14) Control Panel
KiSC issued 07, 2013 A

Table of Contents