EasyManua.ls Logo

wsm M8540NARROW - Wiper System

wsm M8540NARROW
303 pages
Print Icon
To Next Page IconTo Next Page
To Next Page IconTo Next Page
To Previous Page IconTo Previous Page
To Previous Page IconTo Previous Page
Loading...
ELECTRICAL SYSTEM
M8540Narrow, M9540Narrow, WSM
N9-M22
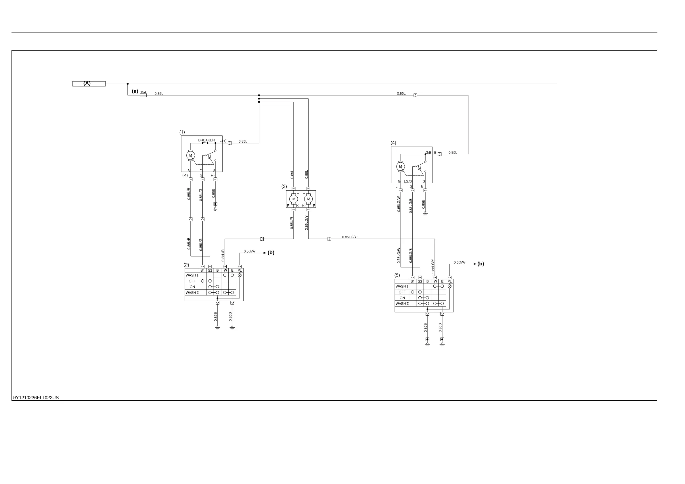
(9) Wiper System
(1) Front Wiper Motor
(2) Front Wiper Switch (14 V, 0.9 W)
(3) Washer Motor (4) Rear Wiper Motor (Option) (5) Rear Wiper Switch (Option) (A) Key ACC (a) Fuse (Wiper)
(b) To Position Lamp
KiSC issued 07, 2013 A

Table of Contents

Related product manuals