EasyManua.ls Logo

wsm M8540NARROW - Lighting System

wsm M8540NARROW
303 pages
Print Icon
To Next Page IconTo Next Page
To Next Page IconTo Next Page
To Previous Page IconTo Previous Page
To Previous Page IconTo Previous Page
Loading...
ELECTRICAL SYSTEM
M8540Narrow, M9540Narrow, WSM
N9-M10
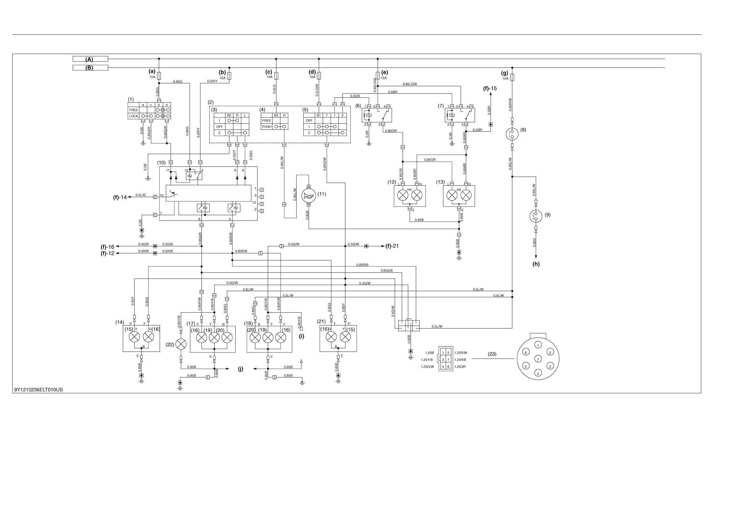
(3) Lighting System
(1) Hazard Switch (14 V, 1.4 W)
(2) Combination Light Switch
(3) Turn Switch
(4) Horn Switch
(5) Head Light Switch
(6) Head Light LO Relay
(7) Head LIght HI Relay
(8) Brake Switch R.H.
(9) Brake Switch L.H.
(10) Flasher Unit
(11) Horn
(12) Head Light L.H. (H4 12 V, 55/60 W)
(13) Head Light R.H. (H4 12 V, 55/60 W)
(14) Front Combination Lamp L.H.
(15) Position Lamp (10 W)
(16) Turn Lamp (21 W)
(17) Rear Combination Lamp L.H.
(18) Rear Combination Lamp R.H.
(19) Tail Lamp (10 W)
(20) Stop Lamp (21 W)
(20) Stop Lamp (21 W)
(21) Front Combination Lamp R.H.
(22) License Lamp (10 W)
(23) Trailer Socket Assembly
(A) Key/Light
(B) Key/IG
(a) Fuse (Flasher / Hazard)
(b) Fuse (Turn Signal)
(c) Fuse (Horn)
(d) Fuse (Position Lamp / Number Lamp)
(e) Fuse (Head Light)
(f) To Meter Panel
(g) Fuse (Stop Lamp)
(h) To Diode (4WD Brake)
(i) Licence Light
(j) To Work Lamp (Ground)
KiSC issued 07, 2013 A

Table of Contents

Related product manuals