EasyManua.ls Logo

wsm M8540NARROW - 2 Electrical Circuit Detailed Chart; Rops Model; Starting System, Charging System and Power Supply (Except ITA Model)

wsm M8540NARROW
303 pages
Print Icon
To Next Page IconTo Next Page
To Next Page IconTo Next Page
To Previous Page IconTo Previous Page
To Previous Page IconTo Previous Page
Loading...
ELECTRICAL SYSTEM
M8540Narrow, M9540Narrow, WSM
N9-M8
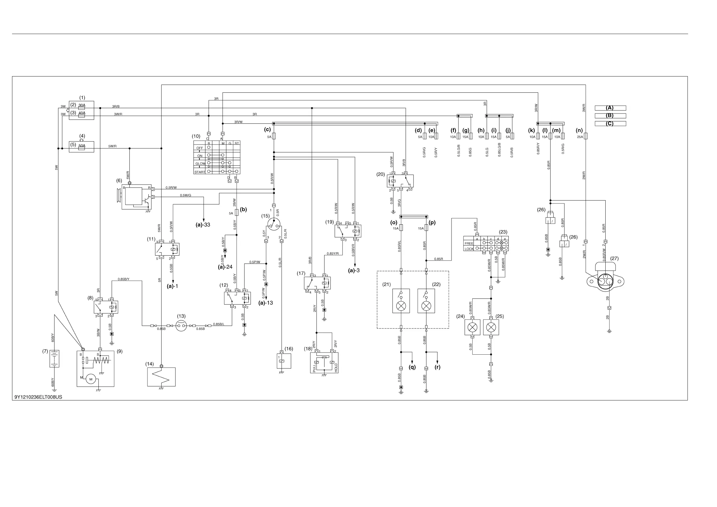
2. ELECTRICAL CIRCUIT DETAILED CHART
[1] ROPS MODEL
(1) Starting System, Charging System and Power Supply (Except ITA Model)
(1) Slow Blow Fuse Box
(2) Fuel/Work Light
(3) Key/Light
(4) Slow Blow Fuse
(5) Charge/Heater
(6) Alternator
(7) Battery
(8) Starter Relay
(9) Starter Motor
(10 Main Key Switch
(11) Glow Relay
(12) PTO Safety Relay
(13) Shuttle Neutral Switch
(14) Air Intake Heater
(15) PTO Switch
(16) PTO Valve (Solenoid)
(17) Key Stop Relay
(18) Key Stop Solenoid
(19) Engine Stop Relay
(20) Working Light Relay
(21) Working Lamp L.H. (12 V, 35 W) (Option)
(22) Working Lamp R.H. (12 V, 35 W) (Option)
(23) Working Lamp Front Side Switch (14 V, 1.4 W)
(24) Working Lamp Front Side L.H. (12 V, 21 W)
(25) Working Lamp Front Side R.H. (12 V, 21 W)
(26) Auxiliary Power Connector
(27) Auxiliary Power Socket
(A) Fuel/Work Light
(B) Key/Light
(C) Key/IG
(a) To Meter Panel
(b) Fuse (Starter Relay)
(c) Fuse (Alternator, Engine, PTO)
(d) Fuse (Meter Panel)
(e) Fuse (Turn Signal)
(f) Fuse (Position Lamp, Number Lamp)
(g) Fuse (Flasher (Hazard))
(h) Fuse (Horn)
(i) Fuse (Head Light)
(j) Fuse (Meter Back Up)
(k) Fuse (Turn signal, Stop Lamp)
(l) Fuse (Auxiliary Power)
(m) Fuse (T/M Control)
(n) Fuse (AUX. Socket)
(o) Fuse (Work Light L)
(p) Fuse (Work Light R)
(q) To Rear Combi Lamp L.H. (Ground)
(r) To Rear Combi Lamp R.H. (Ground)
KiSC issued 07, 2013 A

Table of Contents