EasyManua.ls Logo

Yamaha 200A - Page 84

Yamaha 200A
281 pages
Print Icon
To Next Page IconTo Next Page
To Next Page IconTo Next Page
To Previous Page IconTo Previous Page
To Previous Page IconTo Previous Page
Loading...
60H5E11
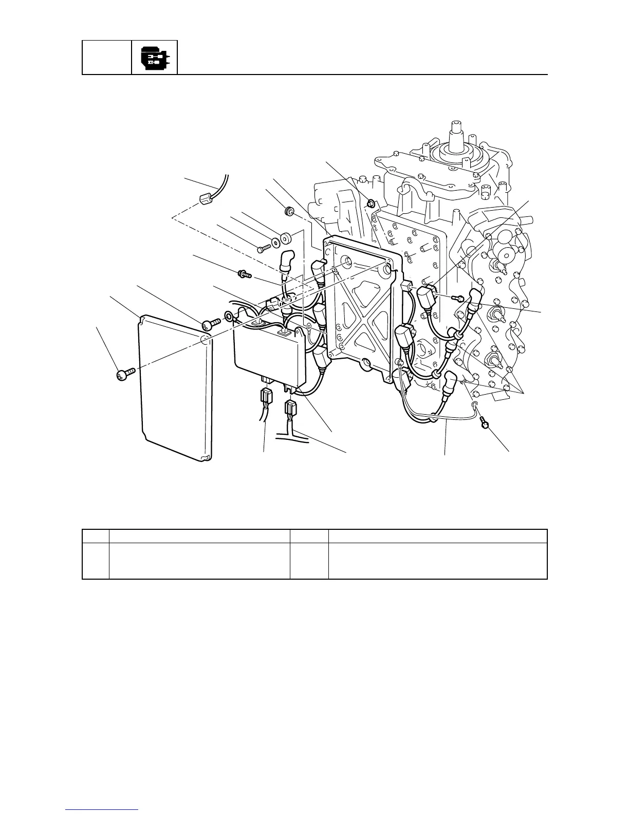
Power unit
POWR
5-11
60H50050
18 Grommet 1
19 Collar 3
20 Plug cap 6
No. Part name Qty Remarks
1
2
3
4
5
6
7
8
9
10
11
12
13
15
14
17
16
18
19
20

Table of Contents

Related product manuals