EasyManua.ls Logo

Yamaha 30D - Page 238

Yamaha 30D
384 pages
Print Icon
To Next Page IconTo Next Page
To Next Page IconTo Next Page
To Previous Page IconTo Previous Page
To Previous Page IconTo Previous Page
Loading...
7-3
E
BRKT
BOTTOM COWLING
EXPLODED DIAGRAM
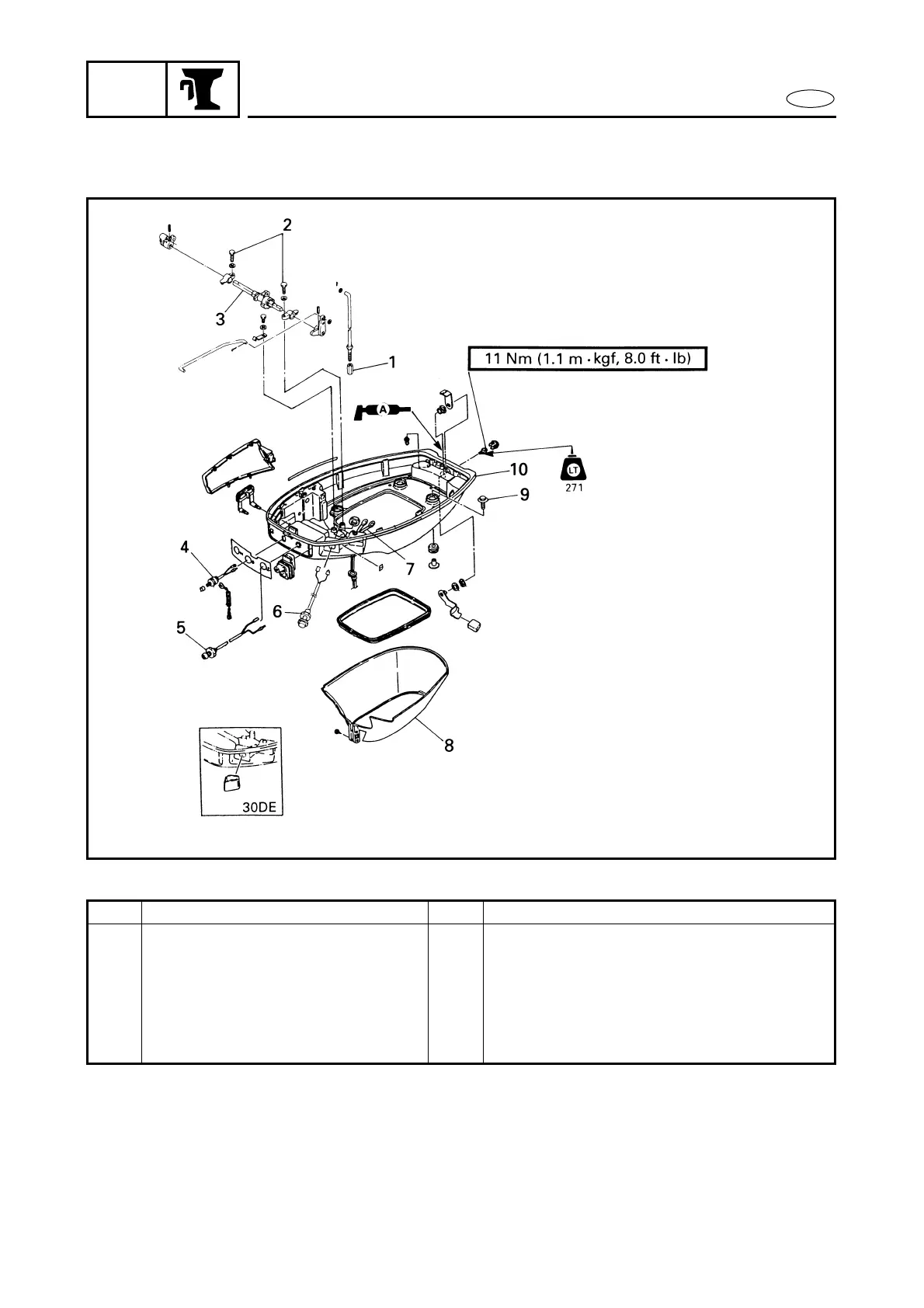
Step Procedure/Part name Q’ty Service points
6 Engine start switch 1 30DWH, 30DWHO
7 PTT motor lead 2 PTT model
8 Apron 1
9 Bolt 4
10 Bottom cowling 1
Reverse the removal steps for installation.

Table of Contents

Other manuals for Yamaha 30D

Related product manuals