EasyManua.ls Logo

Yamaha 30D - CARBURETOR; EXPLODED DIAGRAM

Yamaha 30D
384 pages
Print Icon
To Next Page IconTo Next Page
To Next Page IconTo Next Page
To Previous Page IconTo Previous Page
To Previous Page IconTo Previous Page
Loading...
4-4
FUEL
E
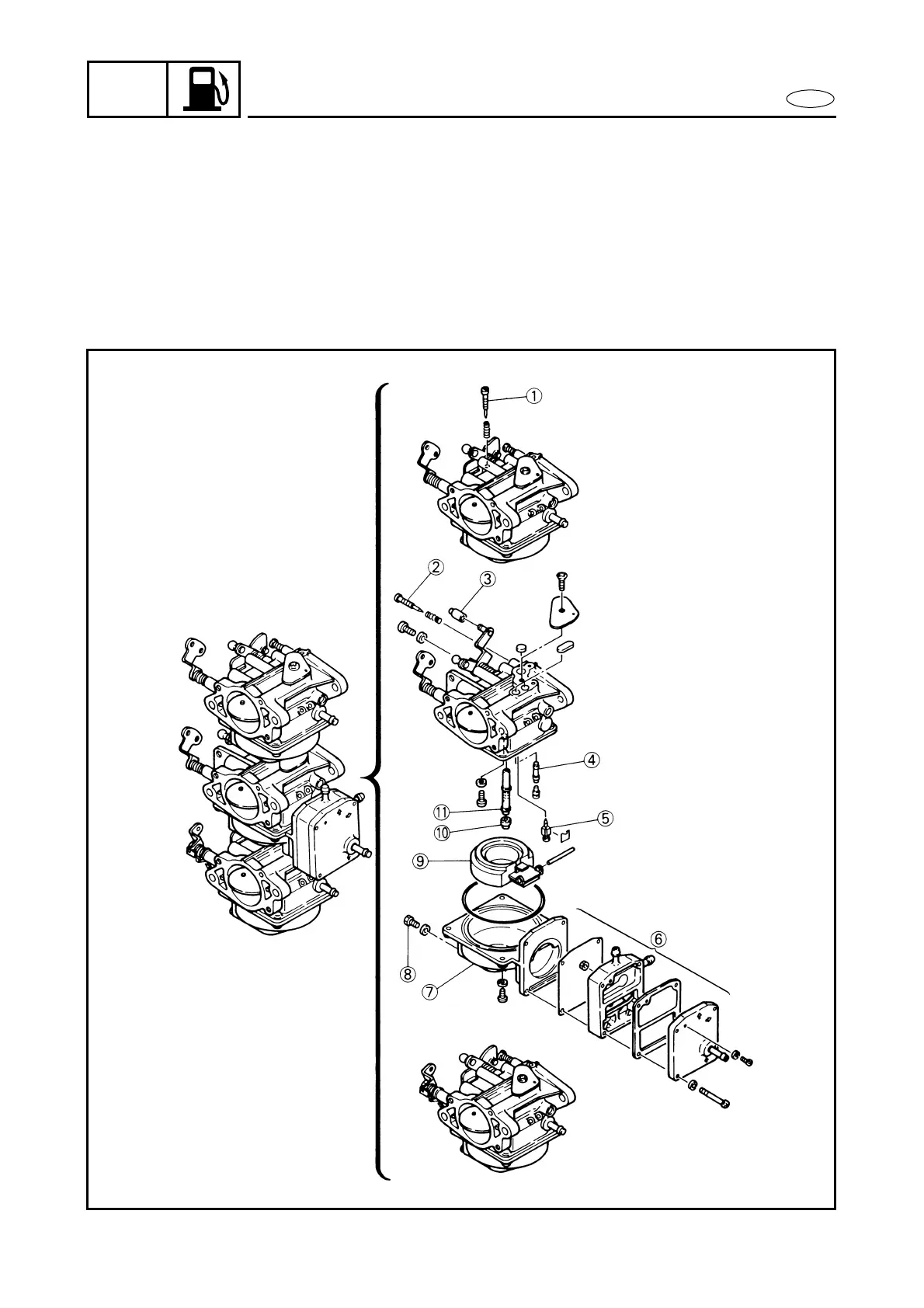
CARBURETOR
E31100-0
CARBURETOR
EXPLODED DIAGRAM
1
Throttle stop screw
2
Pilot screw
3
Collar
4
Pilot jet
5
Needle valve
6
Fuel pump
7
Float chamber
8
Drain screw
9
Float
0
Main jet
A
Main nozzle

Table of Contents

Other manuals for Yamaha 30D

Related product manuals