EasyManua.ls Logo

Yamaha 30D - Jeho, 30 Dwh, 30 Deho

Yamaha 30D
384 pages
Print Icon
To Next Page IconTo Next Page
To Next Page IconTo Next Page
To Previous Page IconTo Previous Page
To Previous Page IconTo Previous Page
Loading...
8-2
–+
ELEC
E
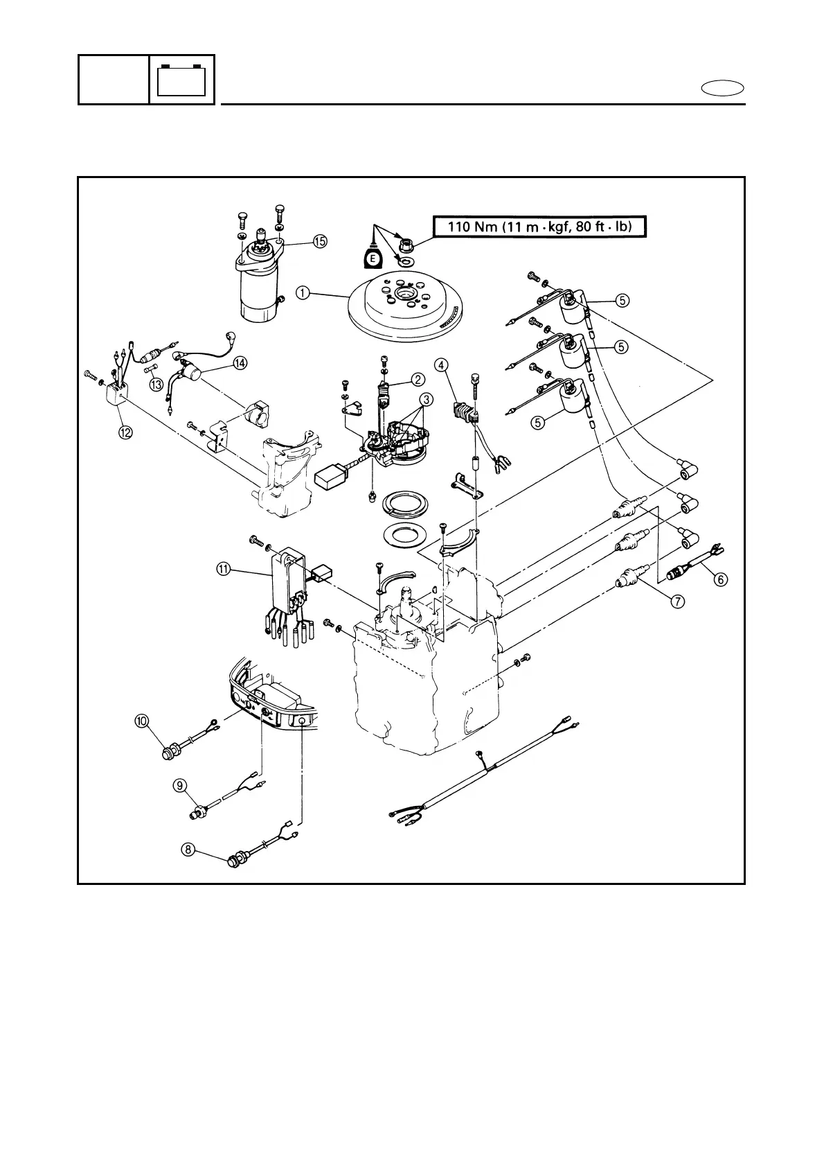
ELECTRICAL COMPONENTS
(25JEHO, 30DWH, 30DEHO)
1
Rotor assembly
2
Charge coil
3
Pulser coils
4
Lighting coil
5
Ignition coils
6
Thermo switch
7
Spark plugs
8
Starter switch
9
Oil level/engine temp. warning lamp
0
Engine stop switch
A
CDI unit
B
Rectifier
C
Fuse (10A)
D
Starter relay
E
Starter motor

Table of Contents

Other manuals for Yamaha 30D

Related product manuals