EasyManua.ls Logo

Yamaha 30D - Ignition System

Yamaha 30D
384 pages
Print Icon
To Next Page IconTo Next Page
To Next Page IconTo Next Page
To Previous Page IconTo Previous Page
To Previous Page IconTo Previous Page
Loading...
8-12
–+
ELEC
E
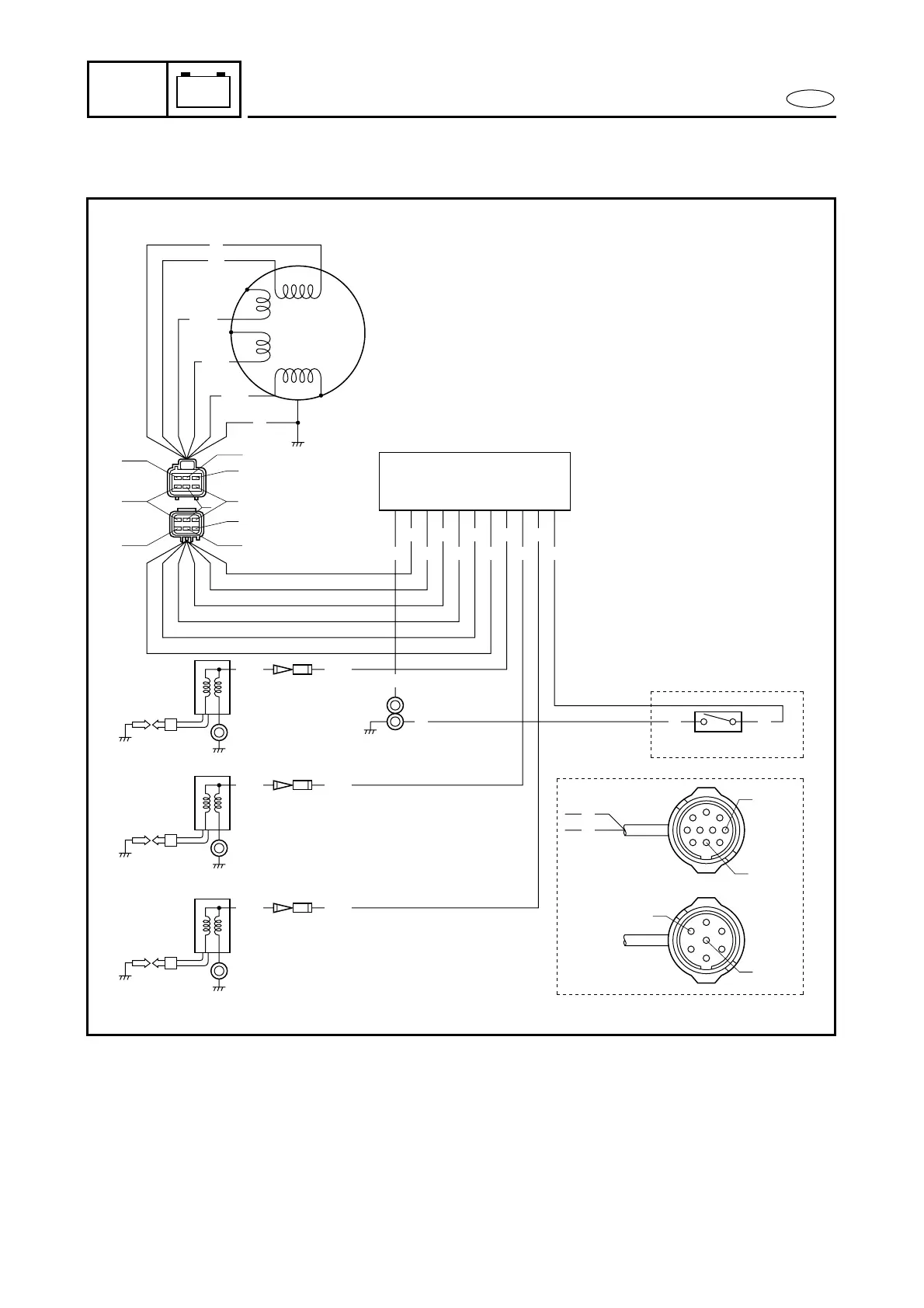
IGNITION SYSTEM
IGNITION SYSTEM
3
5
6
B/W B/Y
2
5
6
B/W B/W
1
5
1
2
2
2
6
B/W B/O
B B W
B
B L WW/G B/WW/R
W/G
W/B
W/R
B
B
Br
L
BrW/B B/O B/Y
3
4
W/G
W/R
Br
Br
LW/B
B
W/R W/G
B
W
(10P)
(7P)
Å
ı
W
B
W
B
1 Charge coil
2 Pulser coil
3 CDI unit
4 Engine stop switch
5 Ignition coils
6 Spark plugs
Å For 25JMH, 25JMHO, 25JEHO,
30DMH, 30DMHO, 30DWH, 30DEHO
ı Except for 25JEO, 25JETO, 30DMO,
30DE, 30DEO, 30DET, 30DETO
B : Black
Br : Brown
B/O : Black/Orange
B/W : Black/White
B/Y : Black/Yellow
L : Blue
W : White
W/B : White/Black
W/G : White/Green
W/R : White/Red

Table of Contents

Other manuals for Yamaha 30D

Related product manuals