EasyManua.ls Logo

Yamaha 30D - IGNITION CONTROL SYSTEM

Yamaha 30D
384 pages
Print Icon
To Next Page IconTo Next Page
To Next Page IconTo Next Page
To Previous Page IconTo Previous Page
To Previous Page IconTo Previous Page
Loading...
8-16
E
–+
ELEC
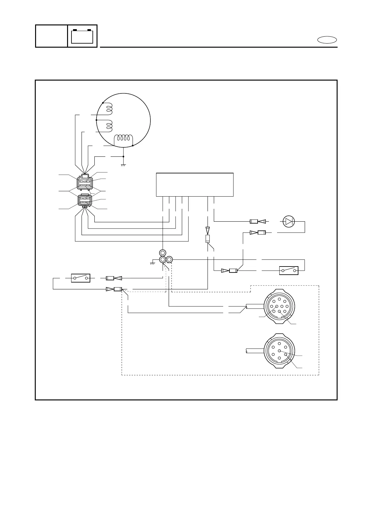
IGNITION CONTROL SYSTEM
IGNITION CONTROL SYSTEM
1
1
1
P
P
P
P
P
B
B
B
BP
P
PW/G W/R
W/G
W/B
W/R
B
B
W/B Y/R
Y/R
2
4
5
3
P
B
(10P)
(7P)
B
P
Å
W/G
W/R
Br
Br
LW/B
B
W/R W/G
P
B
B
P
1 Pulser coil
2 CDI unit
3 Oil level/engine temp. warning lamp
4 Oil level switch
5 Thermo switch
Å For 25JEO, 25JETO, 30DMO, 30DE, 30DEO,
30DET, 30DETO
B : Black
P : Pink
W/B : White/Black
W/G : White/Green
W/R : White/Red
Y/R : Yellow/Red

Table of Contents

Other manuals for Yamaha 30D

Related product manuals