EasyManua.ls Logo

Yamaha 30D - Starting System

Yamaha 30D
384 pages
Print Icon
To Next Page IconTo Next Page
To Next Page IconTo Next Page
To Previous Page IconTo Previous Page
To Previous Page IconTo Previous Page
Loading...
8-19
–+
ELEC
E
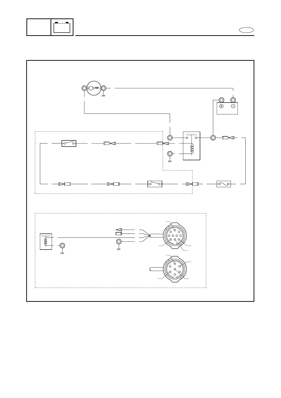
STARTING SYSTEM
STARTING SYSTEM
1
6
5
3
2
4
Br
Br
Br
Br
Br Br
B
B
B
B
B
Br R R R
R
M
7
L
B
L
Br
R
B
R
L
B
LBr
R
(10P)
(7P)
Br
B
ı
Å
1 Starter motor
2 Battery
3 Starter relay
4 Fuse
5 Starter switch
6 Neutral switch
7 Fuel enrichment valve
Å For 25JEHO, 30DWH, 30DEHO
ı For 25JEO, 25JETO, 30DE, 30DEO, 30DET, 30DETO
B : Black
Br : Brown
L : Blue
R : Red

Table of Contents

Other manuals for Yamaha 30D

Related product manuals