EasyManua.ls Logo

Aanderaa ZPulse DCS 4420 - Page 129

Aanderaa ZPulse DCS 4420
131 pages
Print Icon
To Next Page IconTo Next Page
To Next Page IconTo Next Page
To Previous Page IconTo Previous Page
To Previous Page IconTo Previous Page
Loading...
February 2020TD 266 OPERATING MANUAL ZPulse® DCS 4420/4830/4520/4930 Page 129
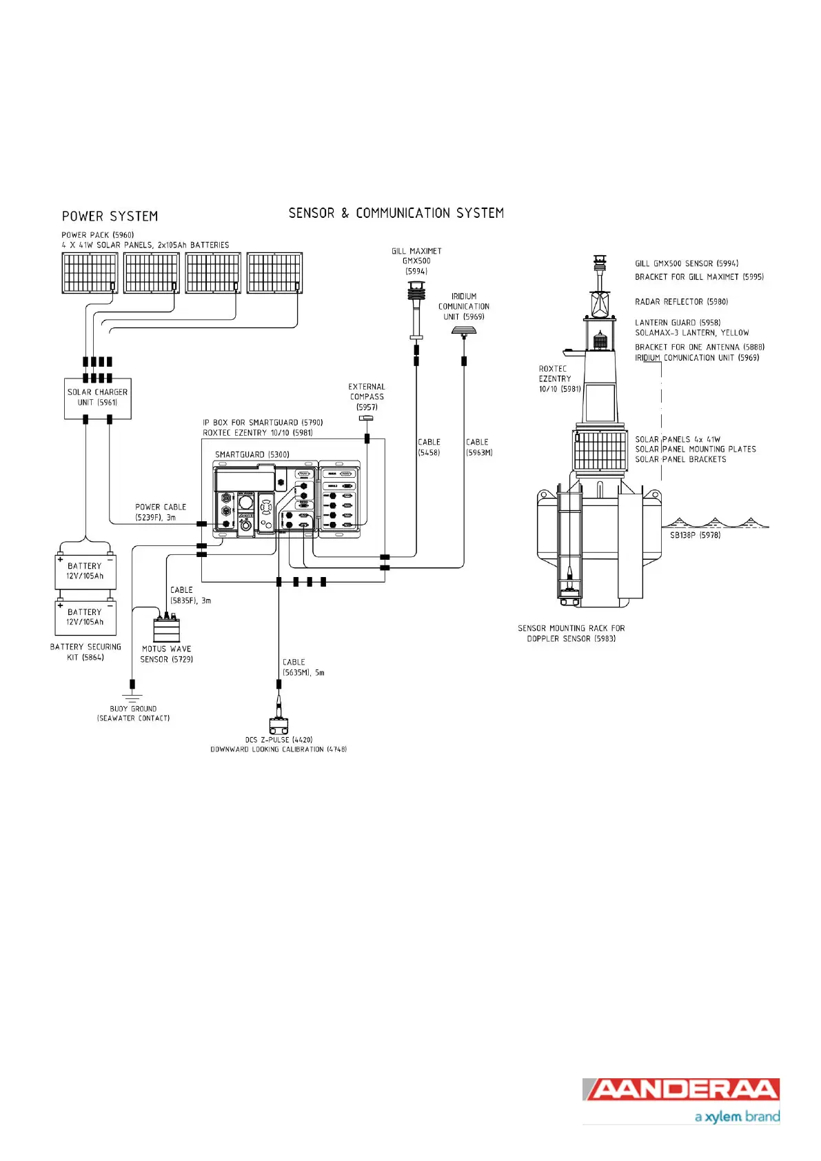
Example 3 in shows a more complex buoy system with meteorological sensors, satellite communication, solar panels
as well as Motus directional wave sensor and DCS. This system is also easily scalable with possibilities for adding
water quality sensors and profiling current measurement for measuring current in the full column.
Figure 10-5: Example 3

Table of Contents