EasyManua.ls Logo

Andreoli Engineering ATOM 1000 - Flushing Procedure for Spray Equipment

Default Icon
166 pages
Print Icon
To Next Page IconTo Next Page
To Next Page IconTo Next Page
To Previous Page IconTo Previous Page
To Previous Page IconTo Previous Page
Loading...
ANDREOLI ENGINEERING
Operator’s Manual
Self-propelled sprayer ATOM
101/166
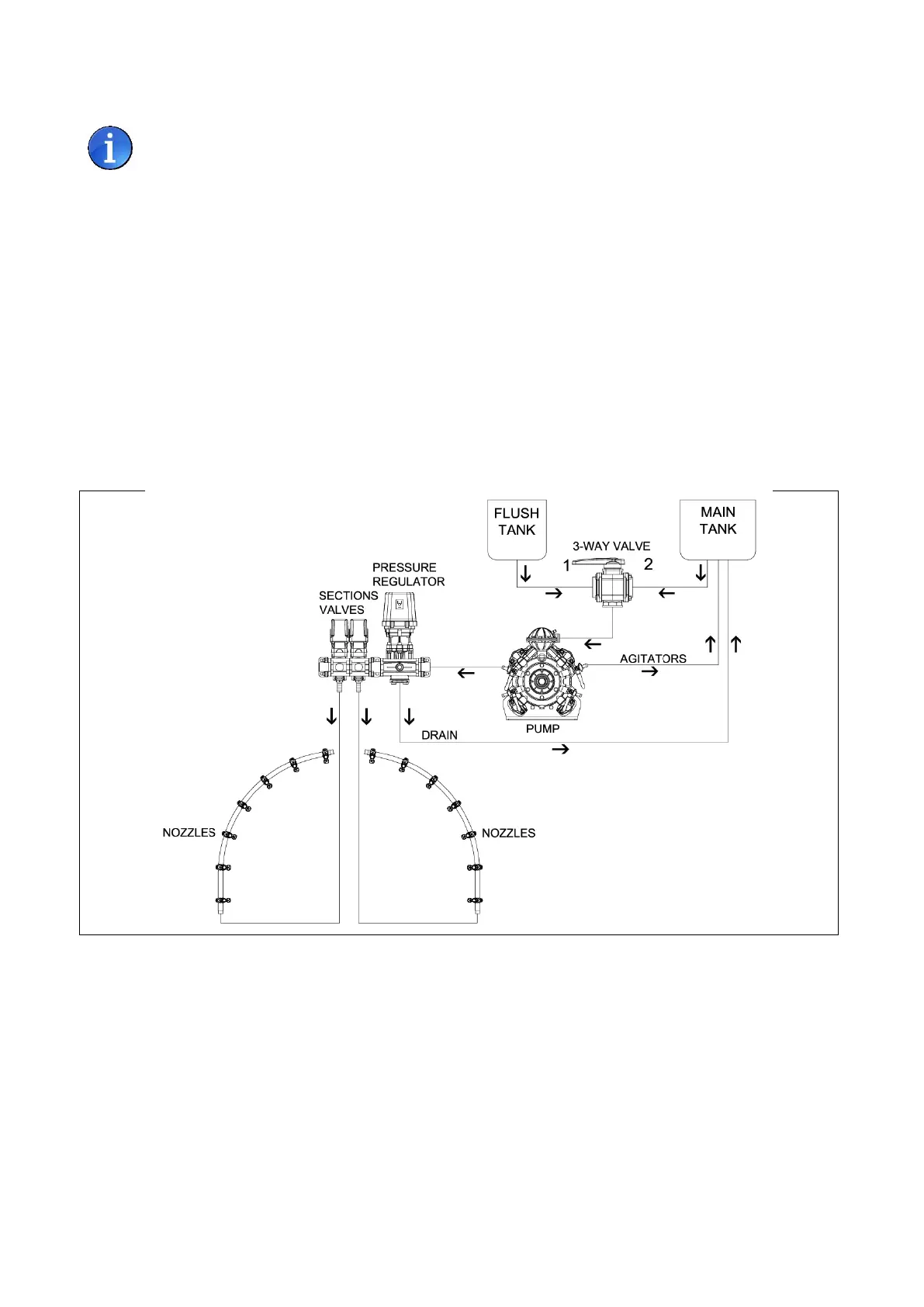
6.3 FLUSHING PROCEDURE FOR SPRAY EQUIPMENT
At the end of the spraying or after a long stop with mixture in the tank, it is mandatory to flush all
the spray circuit.
To flush the spray equipment follow this procedure.
Fill-up the flushing tank.
Set the 3-way valve to position1 (pump sucking from the flush tank).
Open the sections valves.
Run the pump at low revs and flush the complete circuit; make sure all nozzles are spraying.
Continue the flushing until clean water exits the nozzles.
During the flushing procedure, some of the clean water goes back to the main tank through the drain line of
the pressure regulator and the high pressure line of the agitators, thus diluting the chemicals residuals inside
the main tank.
Therefore you must discharge these residuals and repeat the flushing procedure until clean water remains
into the main tank.
The following drawing shows the flushing equipment layout:
It is also possible to flush the spray equipment at first using clean water in the main tank. Fill some clean
water in the main tank. This will dilute chemicals residuals in the main tank. During this operation you can
also wash the inside of the main tank.
Set the 3-way valve to position 2 (pump sucking from the main tank), run the pump and let clean water exit
the nozzles.
Then set the 3-way valve to position 1, run the pump and let clean water exit the nozzles.
Discharge the residuals inside the main tank.
Repeat the fluahing procedure until only clean water remains in the main tank.
Discharge the final residuals inside the main tank.
Open all taps and filters.

Table of Contents