EasyManua.ls Logo

Brother MFC-J6510DW - Control Panel ASSY

Brother MFC-J6510DW
394 pages
Print Icon
To Next Page IconTo Next Page
To Next Page IconTo Next Page
To Previous Page IconTo Previous Page
To Previous Page IconTo Previous Page
Loading...
3-81
Confidential
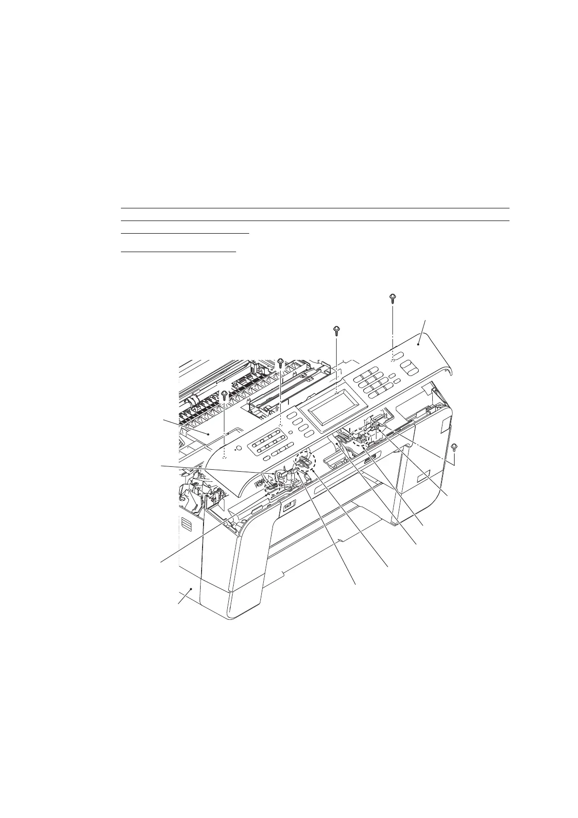
3.9.6 Control Panel ASSY
(1) Remove four screws "a" from the control panel ASSY.
(2) Pull up the rear end of the control panel ASSY and turn it up slightly.
Note: Do not pull the control panel ASSY away from the machine since it is connected to
the machine with harnesses.
(3) Slide the control panel ASSY slightly to the rear, disconnect the panel-main harness and
touch panel harness* from the main PCB, and release them from their cable guides.
(4) Disconnect the LCD flat cable from the main PCB.
Note:
After disconnecting the flat cable, check that it is not damaged at its end or short-
circuited. When connecting the flat cable, do not insert it at an angle. After insertion, check
again that it is not at an angle.
(5) Models with touch panel: Release the grounding wire by removing screw "b" and remove
it from the cable guides.
*For models with touch panel
"a": Taptite, cup B M3x10
"b": Taptite, cup S M3x6*
Assembling Notes:
When connecting the panel-main harness to the main PCB, route the taped section through
the cable guide on the upper cover to prevent the harness from getting crushed between the
control panel ASSY and the upper cover.
After mounting the control panel ASSY, check that there is no gap between the front end of
the control panel ASSY and that of the upper cover.
(3_048)
Panel-main
harness
Upper cover
Cable guide
LT cover
Touch panel harness*
Cable guides
Cable guides
LCD flat cable
Grounding wire*
Control panel ASSY
"a"
"a"
"a"
"a"
"b" *

Table of Contents

Other manuals for Brother MFC-J6510DW

Related product manuals