EasyManua.ls Logo

Brother MFC-J6510DW - Page 236

Brother MFC-J6510DW
394 pages
Print Icon
To Next Page IconTo Next Page
To Next Page IconTo Next Page
To Previous Page IconTo Previous Page
To Previous Page IconTo Previous Page
Loading...
3-111
Confidential
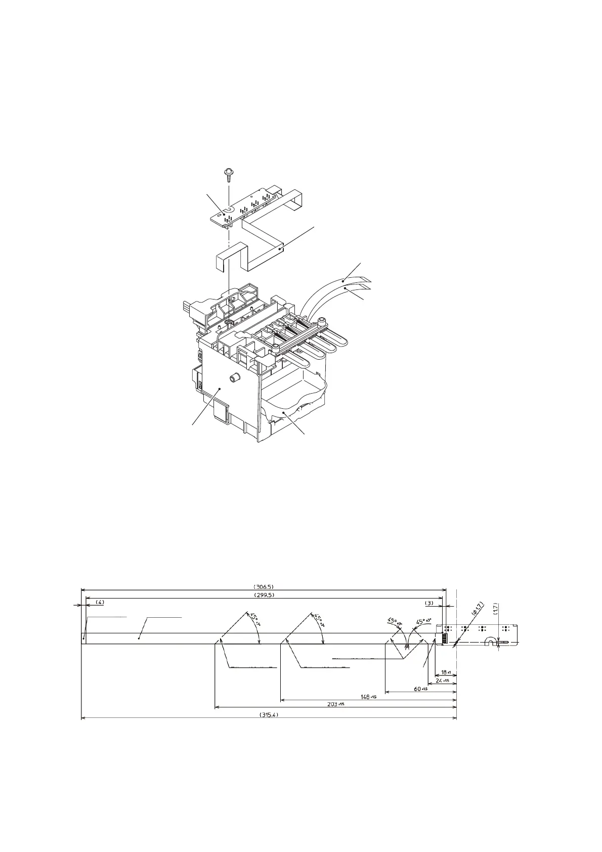
(6) Release the three ink-related flat cables from the cable guides (shown on page 3-109) on
the lower cover and lift the ink refill ASSY up and out of the lower cover.
Note: On the bottom of the ink refill ASSY is an ink foam that may be stained with ink. If
it is excessively stained, replace it.
(7) Remove the screw from the ink cartridge detection sensor PCB and lift it up.
Assembling Note: When replacing the ink cartridge detection sensor PCB ASSY, bend its flat
cable as specified below.
(3_076)
Taptite, cup B M3x8
Ink cartridge detection
sensor PCB
Ink refill ASSY
Protective part
Ink remaining sensor flat cable
High-yield ink cartridge sensor
flat cable
Ink cartridge detection sensor
flat cable
Conductor for connection
UL symbol print side
Mountain fold, 180º
Mountain fold, 180º
Valley fold, 180º
Mountain fold,
Fold mark
Reference line
Reference
line

Table of Contents

Other manuals for Brother MFC-J6510DW

Related product manuals