EasyManua.ls Logo

ComAp InteliLite NT AMF26-P - Magnetic Pick-Up

ComAp InteliLite NT AMF26-P
167 pages
Print Icon
To Next Page IconTo Next Page
To Next Page IconTo Next Page
To Previous Page IconTo Previous Page
To Previous Page IconTo Previous Page
Loading...
InteliLite
NT
AMF26-P, SW version 2.4, ©ComAp January 2016 32
AMF26-P-2.4 Reference Guide.pdf
Grounding
To ensure proper function:
Use as short as possible cable to the grounding point on the switchboard
Use cable min. 2,5mm
2
The “-“ terminal of the battery has to be properly grounded
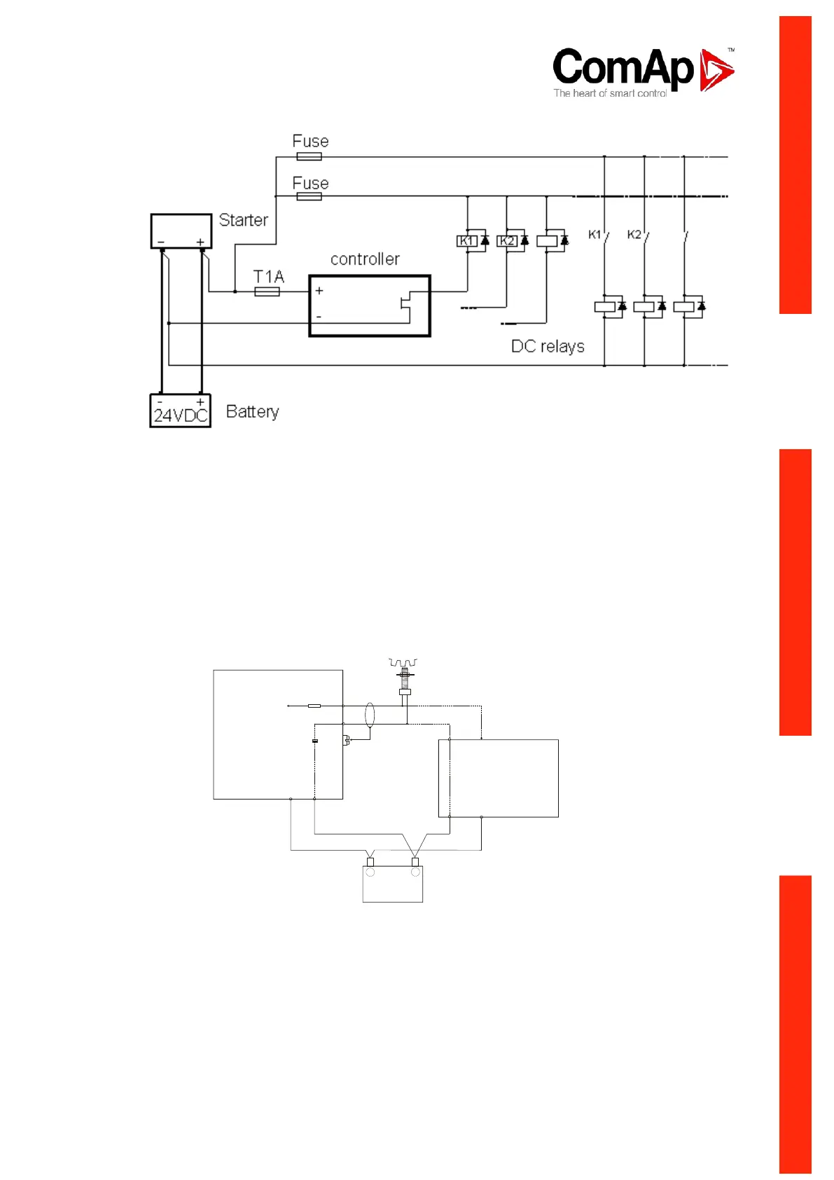
Magnetic pick-up
To ensure proper function:
Use a shielded cable
Be aware of interference signal from Speed governor when one speed pick-up is used.
If engine will not start:
+
Battery
-
iL
GAC
Speed Control Unit
ESD 5500
MAGNETIC
PICK-UP
C
D
a
b
Signal
Signal
+
+-
-
Power
Supply
Power
Supply

Table of Contents

Related product manuals