EasyManua.ls Logo

Danfoss iC7-Automation - Wiring Diagram, 2 X AE10+2 X IE10, 1000-1100 a

Danfoss iC7-Automation
132 pages
Print Icon
To Next Page IconTo Next Page
To Next Page IconTo Next Page
To Previous Page IconTo Previous Page
To Previous Page IconTo Previous Page
Loading...
Design Guide | iC7-Automation Air-cooled Enclosed Drives Specifications
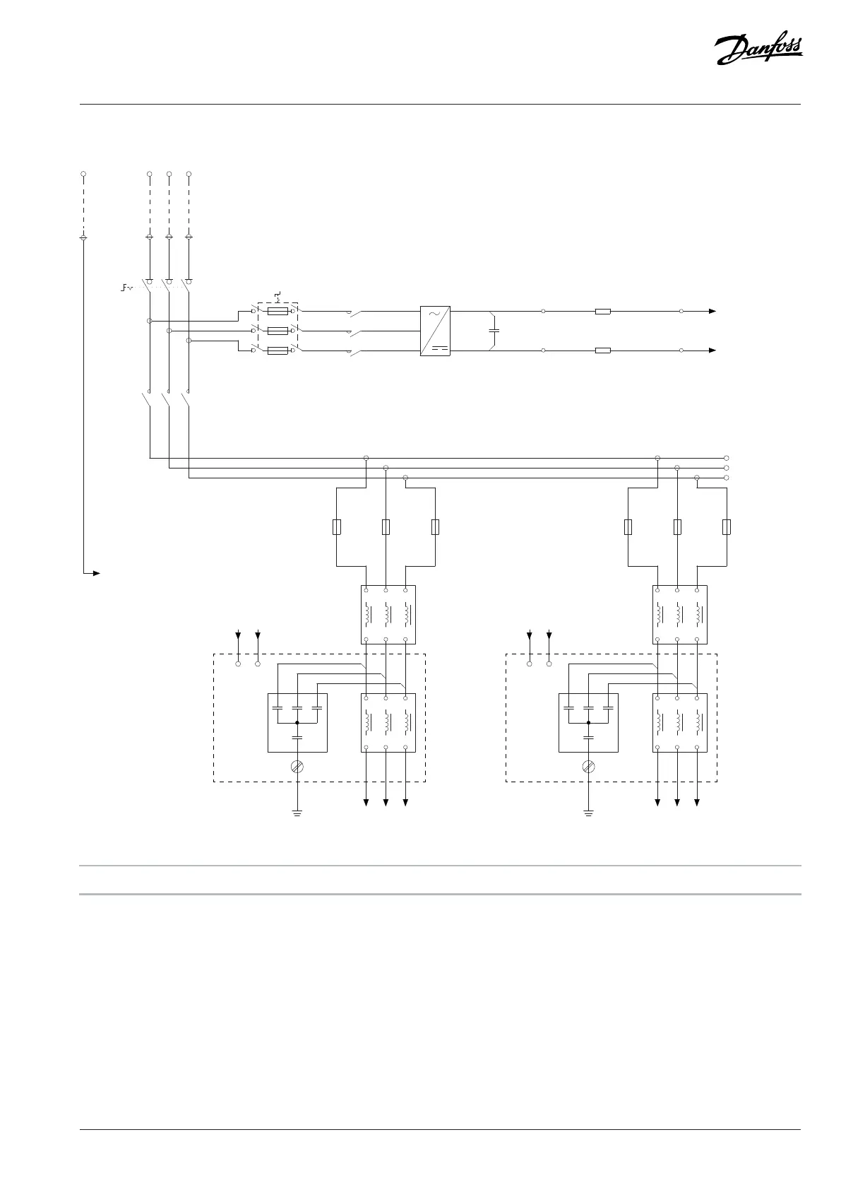
9.3.4 Wiring Diagram, 2 x AE10+2 x IE10, 1000–1100 A
L1 L2 L3
L1' L2' L3'
-RF4.1
-X121:+
FAN DC+
-
FAN DC-
L1
L2
L3
L1'
L2'
L3'
-RF4.2
-X121:+
FAN DC+
-
FAN DC-
PE
L1 L2 L3
-RF4.1
L1
L2 L3
L1' L2' L3'
-PE
1
2
3
4
5
1 3 5
6
2 4 6
-QA3
-QB0
-RF4.2
L1
L2
L3
L1'
L2'
L3'
-PE
1
2
-FC1.2
1
2
-FC1.1
1
2
-FC1.3
1
2
-FC1.5
1
2
-FC1.4
1
2
-FC1.6
PE
L1 L2 L3
1
3
5
-QB6
40A
1
-QA6
3
5
L1
L2
L3
-TB6
1600V
205A
3
-CA6
300nF
-RA6.2
5.5Ω
-RA6.1
5.5Ω
2+
-XD6
4-
-XD6
3-
-XD6
1+
-XD6
DC+
DC-
FAN1+
FAN1-
FAN2+
FAN2-
1L2
1L1
1L3
2L2
2L1
2L3
PE
2
2 +
-
4
6
4
6
A A
B B
e30bj482.11
Figure 75: Wiring Diagram, 2 x AE10+2 x IE10, 1000–1100 A
A L Filter B LC Filter
Danfoss Drives Oy © 2024.09 AJ389643274589en-000101 / 172F6409A | 101

Table of Contents

Related product manuals