EasyManua.ls Logo

Danfoss iC7-Automation - Wiring Diagram, AE10+IE10, 385-590 a

Danfoss iC7-Automation
132 pages
Print Icon
To Next Page IconTo Next Page
To Next Page IconTo Next Page
To Previous Page IconTo Previous Page
To Previous Page IconTo Previous Page
Loading...
Design Guide | iC7-Automation Air-cooled Enclosed Drives Specifications
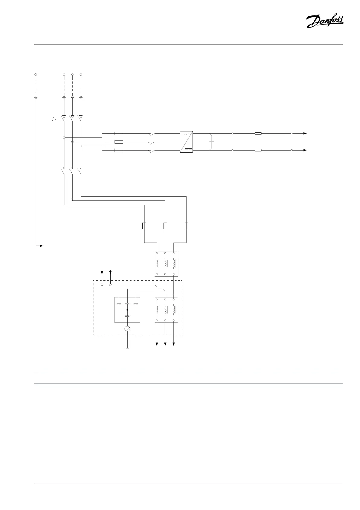
9.3.2 Wiring Diagram, AE10+IE10, 385–590 A
L1 L2 L3
L1' L2' L3'
-RF4.1
-X121:+
FAN DC+
-
FAN DC-
PE
L1 L2 L3
-RF4.1
L1 L2 L3
L1' L2' L3'
-PE
1
2
3
4
5
1 3 5
6
2 4 6
-QA3
-QB0
1
2
-FC1.2
1
2
-FC1.1
1
2
-FC1.3
PE
L1 L2 L3
1
3
5
-QB6
32A
1
-QA6
3
5
L1
L2
L3
-TB6
1600V
80A
3
-CA6
300nF
-RA6.2
5.5Ω
-RA6.1
5.5Ω
2+
-XD6
4-
-XD6
3-
-XD6
1+
-XD6
DC+
DC-
FAN1+
FAN1-
1L2
1L1
1L3
PE
2 2 +
-
4
6
4
6
A
B
e30bj485.11
Figure 71: Wiring Diagram, AE10+IE10, 385–590 A
A L Filter B LC Filter
Danfoss Drives Oy © 2024.09 AJ389643274589en-000101 / 172F6409A | 97

Table of Contents

Related product manuals