EasyManua.ls Logo

Develop D 1531iD - Misfeed at Paper Feed Cabinet Paper Take-Up and Transport Section J02, J03, J04, J05, J1

Develop D 1531iD
259 pages
Print Icon
To Next Page IconTo Next Page
To Next Page IconTo Next Page
To Previous Page IconTo Previous Page
To Previous Page IconTo Previous Page
Loading...
FrameMaker Ver.5.5E(PC) Di152/Di183 TROUBLESHOOTING
01.09.04
T-11
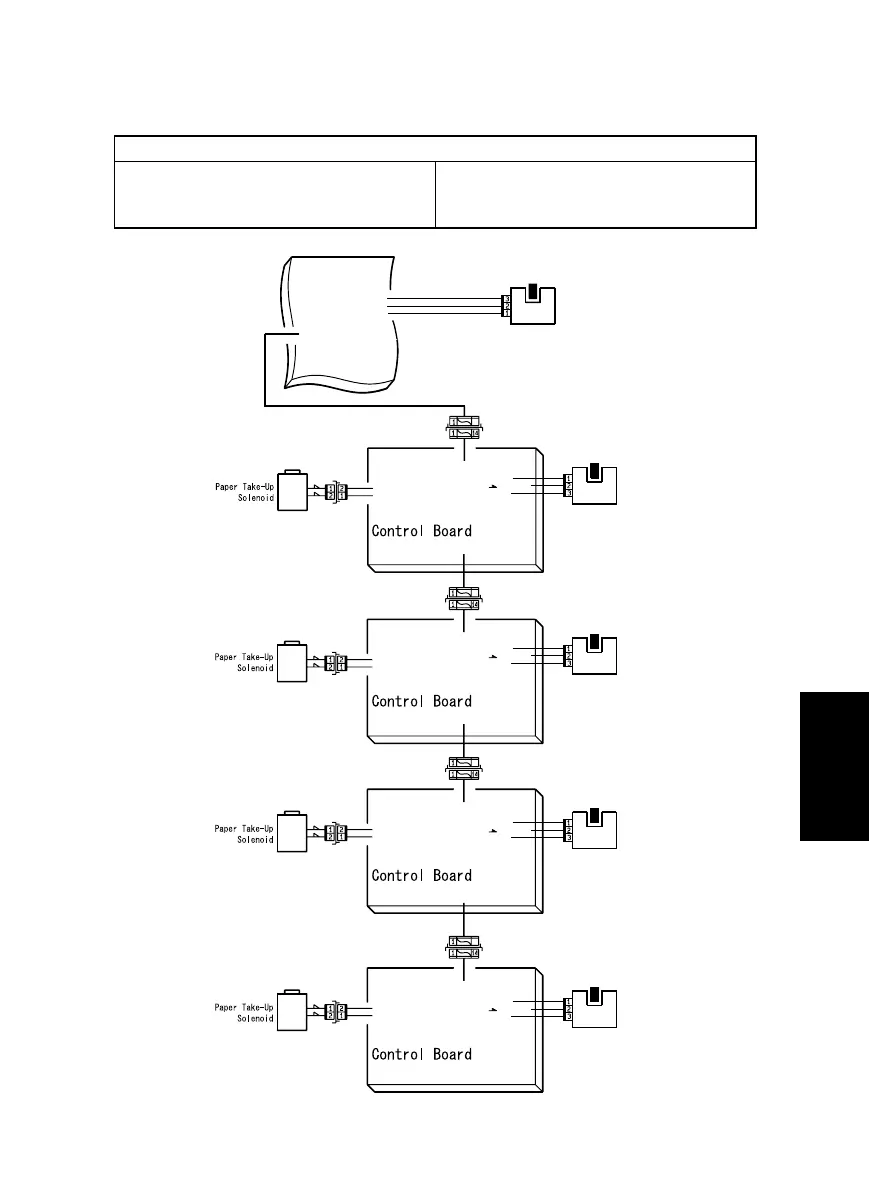
3-2. Misfeed at Paper Feed Cabinet Paper Take-Up and Transport
Section J02, J03, J04, J05, J1 (PF-120)
Relevant Electrical Parts
Paper Take-Up Solenoid (SL11)
Synchronizing Roller Sensor (PC1)
Paper Take-Up Sensor (PC12)
Master Board (PWB-A)
Control Board (PWB-A): PF-120
SL11
CN53
PJ3A-2A(GND)
PJ3A-1A(SL11 ON)
PJ3A-3B(DC5 V)
PJ3A-1B(GND)
CN25
PJ6
PC1
PJ6A-3(PC1 ON)
PJ6A-2(GND)
PJ6A-1(PC1 ANODE)
PWB-A
Master Board
PJ18A
PJ1A
PWB-A
2nd Tray
3rd Tray
4th Tray
(PF-120)
Synchronizing
Roller Sensor
13
13
13
SL11
CN53
PJ3A-2A(GND)
PJ3A-1A(SL11 ON)
PJ1A
PJ2APJ1A
SL11
CN53
PJ3A-2A(GND)
PJ3A-1A(SL11 ON)
PJ1A
PJ2APJ1A
PJ2APJ1A
PJ3A-2B( PC12ON)
PJ53
PC12
Paper
Take-Up
Sensor
PJ3A-3B(DC5 V)
PJ3A-1B(GND)
PWB-A
(PF-120)
PJ3A-2B( PC12ON)
PJ53
PC12
Paper
Take-Up
Sensor
PJ3A-3B(DC5 V)
PJ3A-1B(GND)
PWB-A
(PF-120)
PJ3A-2B( PC12ON)
PJ53
PC12
Paper
Take-Up
Sensor
5th Tray
13
SL11
CN53
PJ3A-2A(GND)
PJ3A-1A(SL11 ON)
PJ1A
PJ3A-3B(DC5 V)
PJ3A-1B(GND)
PWB-A
(PF-120)
PJ3A-2B( PC12ON)
PJ53
PC12
Paper
Take-Up
Sensor
4022T543AA

Table of Contents

Related product manuals