EasyManua.ls Logo

FUTABA T10J - Common Functions - Model Configuration

FUTABA T10J
175 pages
Print Icon
To Next Page IconTo Next Page
To Next Page IconTo Next Page
To Previous Page IconTo Previous Page
To Previous Page IconTo Previous Page
Loading...
38
Commonfunction
1second)
END
0(18岜岜岜岜
㌣0'/6(/
㌣0'/1$0(
㌣)$,/6$)(
㌣5(9(56(
㌣7,0(5
㌣6(592
㌣(1'32,17
㌣75,0
㌣68%75,0
㌣30,;
㌣$8;&+$1
㌣3$5$0(7(5
0(18岜岜岜岜
㌣7(/(0(75<
㌣6(1625
㌣6%86/,1.
㌣0'/75$16
㌣75$,1(5
㌣$,/',))
㌣$,/ڀ58'
㌣97$,/
㌣*<526(16
㌣(/(921
㌣$,/9$725
㌣7+5ڀ1(('/
0(18岜岜岜岜
㌣'5(;32
㌣)/$3(521
㌣$,5%5.
㌣)/$3ڀ(/(
㌣(/(ڀ)/$3
㌣)/$375,0
㌣7+5&87
㌣,'/('2:1
㌣61$352//
㌣7+5&859(
㌣3,7&859(
㌣7+5岜'(/$<
0(18岜岜岜岜
㌣'5
(;3
2
)/$3(5
21
$,5%5
.
)/$3ڀ(/
(/(ڀ)/$
3
)/$375,
0
㌣7+5&
87
,'/('
2
:
1
61$35
2
//
7+5&
8
59
(
3,7&
8
59
(
7+5岜'(/$
<
$,/',)
)
㌣$,/ڀ5
8'
97$,
/
㌣*
<5
2
6(1
6
(/(9
21
$,/9$7
25
7+5ڀ1(('
/
MENU
3/3
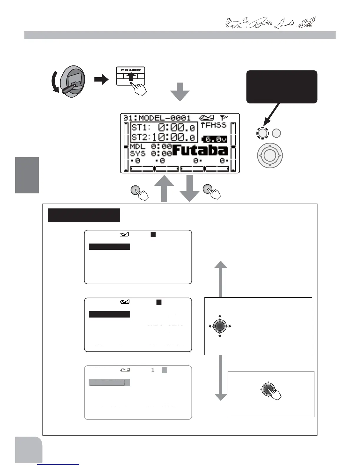
 Commonfunction
Thesettingscreensarecalledfromthefollowingmenu.Allthefunctionscommonto
airplane,helicopter,glider,andmulti-coptermodeltypesareshownhere.
MENU
Whenthe+keyispressedfor
1second,themenuscreenis
displayed.
WhentheENDkeyis
pressed,thedisplay
returnstothehome
screen.
Firstsetthethrottle
toslow.
Thenturnonthe
power.
MENU
1/3
MENU
2/3
(Homescreen)
Tomenuscreen
byholdingdown
the+key
(Selection)
Movethecursor
(highlighted)upand
downandtotheleftand
rightwiththeJogkeyand
selectthefunction.
Thecursorcanbemoved
overseveralpages.
(Callingthesettingscreen)
PresstheJogkeytoopenthe
settingscreen.

Table of Contents

Other manuals for FUTABA T10J

Related product manuals