EasyManua.ls Logo

Hill-Rom Affinity Three - Page 124

Hill-Rom Affinity Three
308 pages
Print Icon
To Next Page IconTo Next Page
To Next Page IconTo Next Page
To Previous Page IconTo Previous Page
To Previous Page IconTo Previous Page
Loading...
4.20 Bed Surface Air System Assembly
Chapter 4: Removal, Replacement, and Adjustment Procedures
Page 4 - 52 Affinity® Three Birthing Bed and Affinity® Four Birthing Bed
Service Manual (MAN272 REV 4)
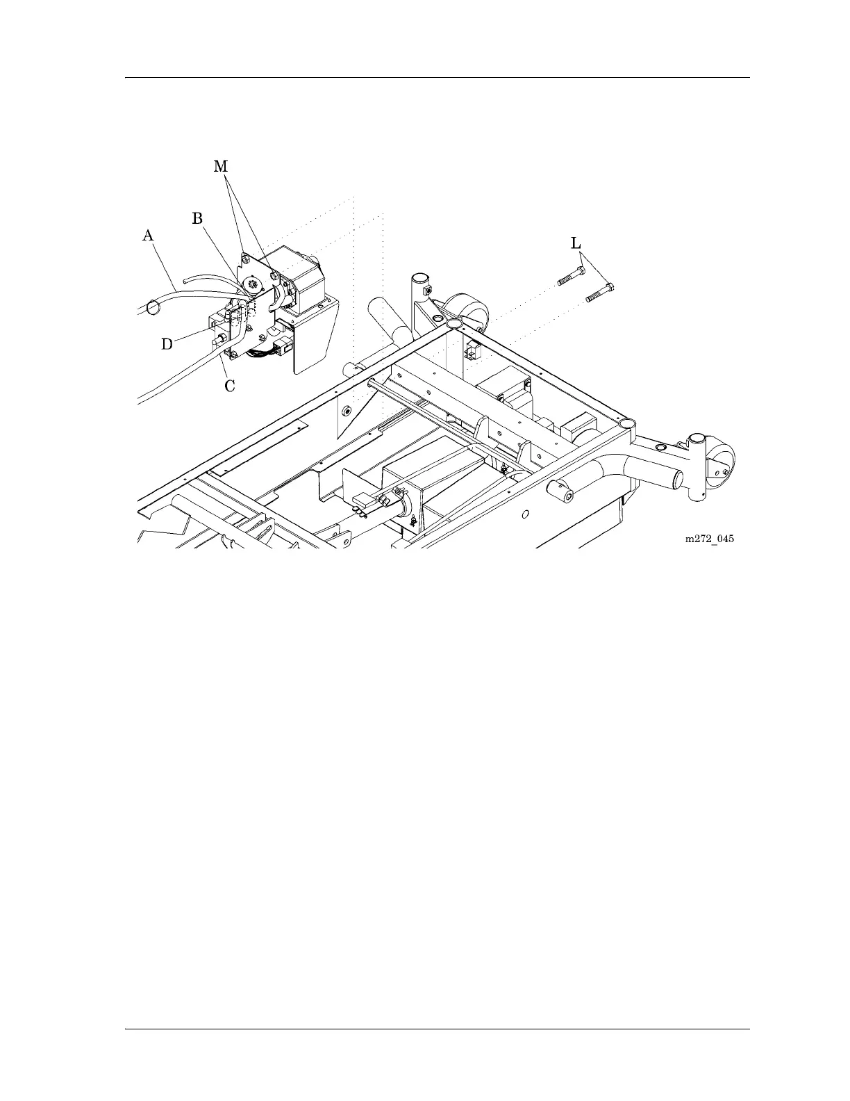
Figure 4-26. Bed Surface Air System Assembly
10. Disconnect the transformer assembly power cable from air system control
P.C. board (F) connector P19 (E) (see figure 4-27 on page 4-53).
11. Disconnect the cable (G) from logic control P.C. board connector P8 to air
system control P.C. board (F) connector P18 (H).
12. Using the small wire cutters, cut and remove the cable tie (I) that secures
the linear pump power cable (J), air system power cable, and air system
control P.C. board cable (G) to the mounting bracket (K).
13. Using the two ½" wrenches, remove the bolts (L) and nuts (M) that secure
the air system to the bed frame (see figure 4-26 on page 4-52).
14. Remove the air system from the bed.

Table of Contents

Related product manuals