EasyManua.ls Logo

Hill-Rom Affinity Three - Page 150

Hill-Rom Affinity Three
308 pages
Print Icon
To Next Page IconTo Next Page
To Next Page IconTo Next Page
To Previous Page IconTo Previous Page
To Previous Page IconTo Previous Page
Loading...
4.31 Central Braking System—P3700B Model Only
Chapter 4: Removal, Replacement, and Adjustment Procedures
Page 4 - 78 Affinity® Three Birthing Bed and Affinity® Four Birthing Bed
Service Manual (MAN272 REV 4)
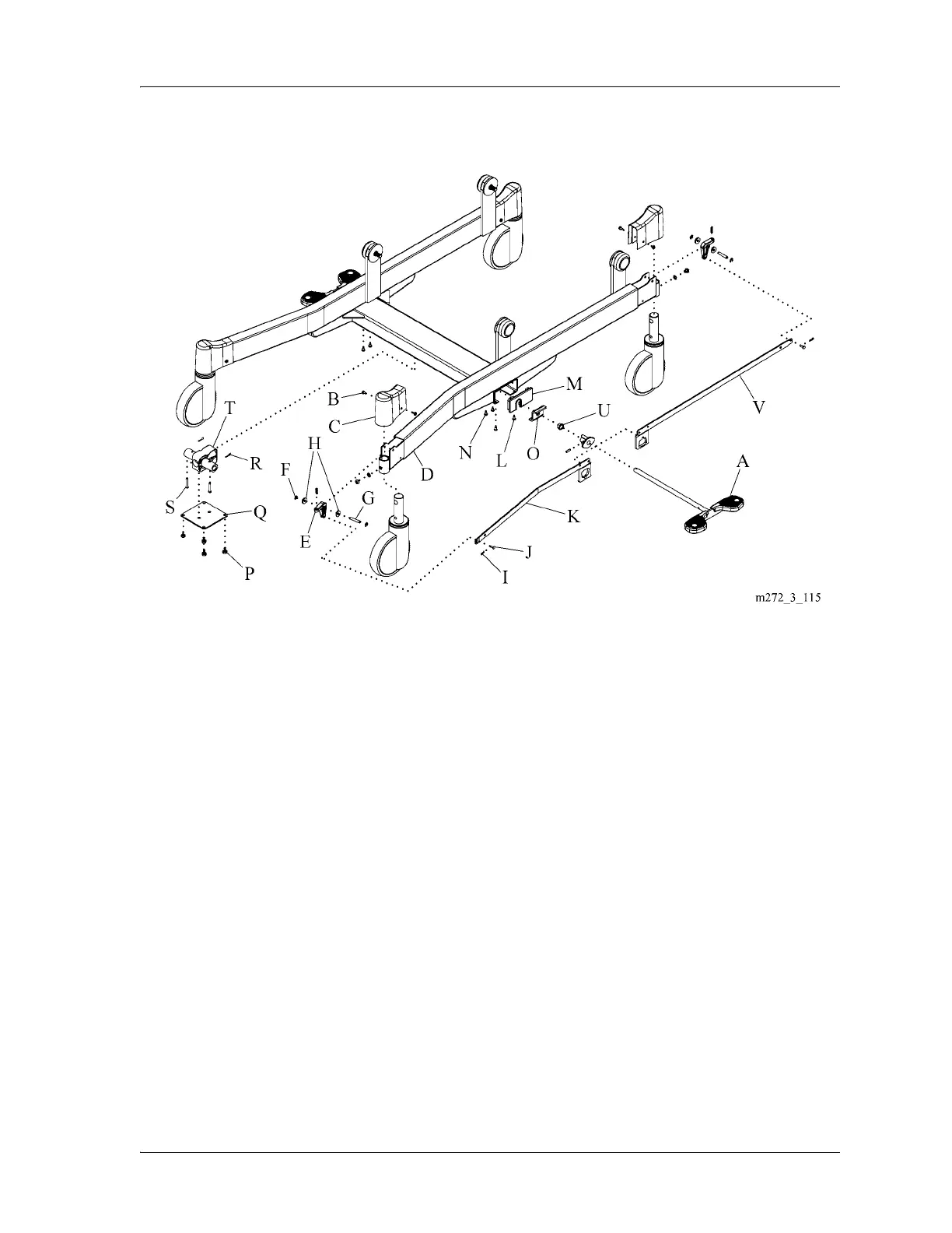
Figure 4-40. Central Braking System
7. Repeat step 6 for the head-end rocker arm.
8. Place the brake/steer pedal (A) into the neutral position.
9. Remove the headboard and the foot section from the bed.
10. Place the pads on the floor to protect the bed from damage.
11. Carefully turn the bed onto the side that has the siderail assembly secured.
12. Remove the two screws (L) and the end caps (M) covering the cross tube
(behind the brake/steer pedal) at both sides of the base frame.
13. Remove the two screws (N) from the brake rod support bracket (O) on each
side of the base frame.
14. Remove the four screws (P) securing the detent housing plate (Q) at the
center of the cross channel.
15. Remove the two hairpins (R) and clevis pins (S) that connect the shaft of
both the brake/steer pedals to the detent mechanism assembly (T).
16. Pull the brake/steer pedal (A) free of the cross channel and detent
mechanism assembly (T).

Table of Contents

Related product manuals