EasyManua.ls Logo

Hill-Rom Affinity Three - Page 182

Hill-Rom Affinity Three
308 pages
Print Icon
To Next Page IconTo Next Page
To Next Page IconTo Next Page
To Previous Page IconTo Previous Page
To Previous Page IconTo Previous Page
Loading...
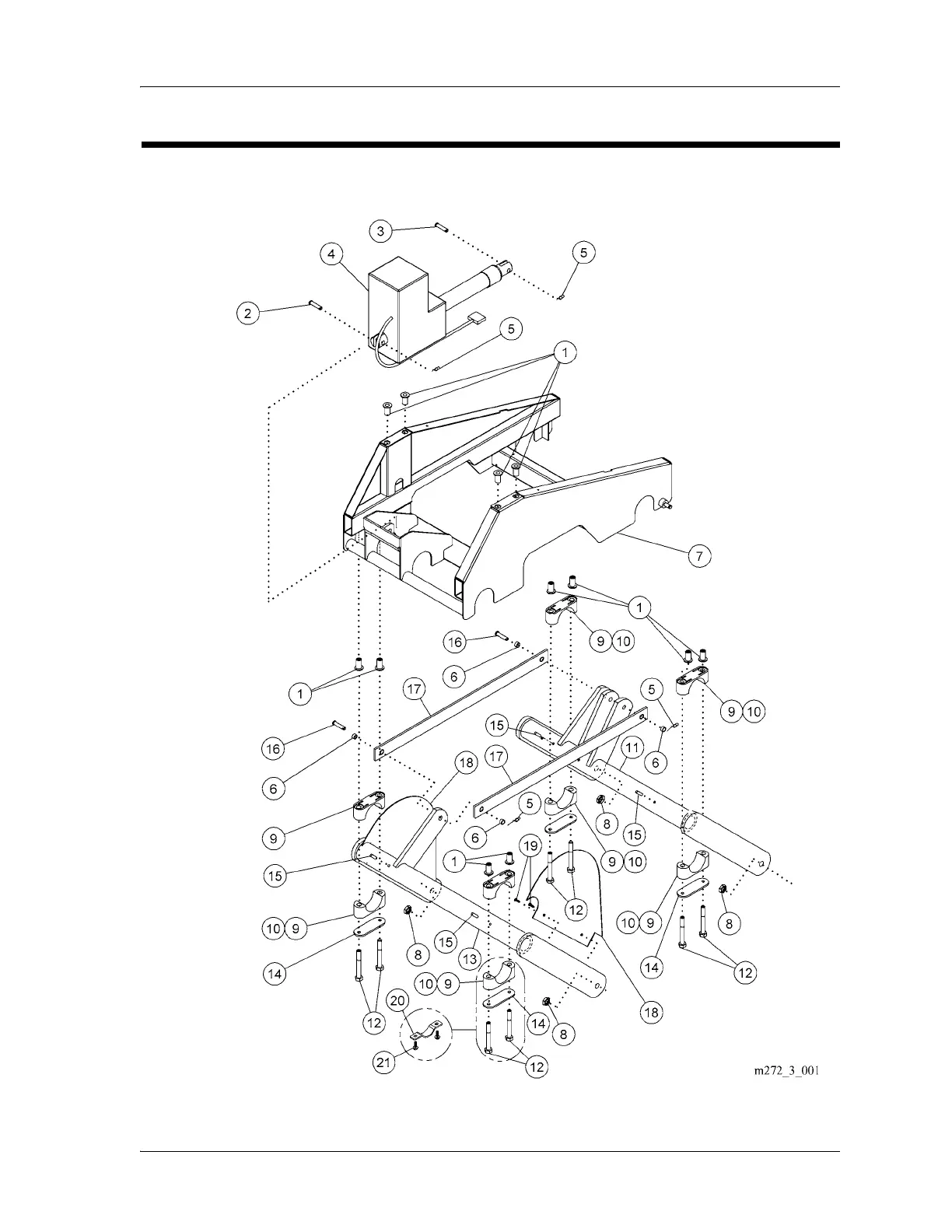
Base Module—P/N 63951S (Sheet 2 of 2) (P3700A)
Chapter 5: Parts List
Page 5 - 14 Affinity® Three Birthing Bed and Affinity® Four Birthing Bed
Service Manual (MAN272 REV 4)
Base Module—P/N 63951S (Sheet 2 of 2) (P3700A)
Figure 5-4. Base Module—P/N 63951S (Sheet 2 of 2) (P3700A)

Table of Contents

Related product manuals