EasyManua.ls Logo

Hypercom IEN 1000 - Ien 1000

Default Icon
198 pages
Print Icon
To Next Page IconTo Next Page
To Next Page IconTo Next Page
To Previous Page IconTo Previous Page
To Previous Page IconTo Previous Page
Loading...
PORT PROCESSORS/MODULES
940043-002 INTEGRATED ENTERPRISE NETWORK 3-51
IEN 1000
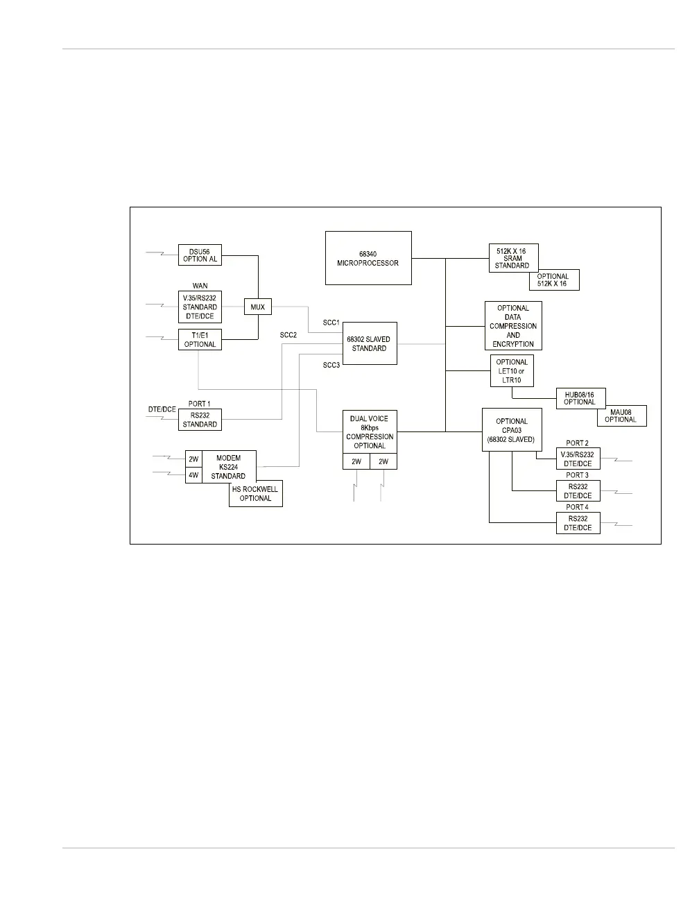
The IEN 1000 chassis comes equipped with one RS232/V.35 WAN port, one RS232 serial
port, 1MB of SRAM, and a V.22bis modem for dial-up configuration. Expanding the
capabilities of the IEN 1000 chassis is accomplished through the integration of optional
upgrade modules. Figure 3-49 illustrates the IEN 1000 block diagram.
Figure 3-49 IEN 1000 Block Diagram
The protocol priority algorithm provides allocation of WAN resources for different LAN and
legacy protocols. High priority traffic queues ensure timely delivery of time sensitive
protocols. The protocol priority system not only identifies high priority protocols, but also
identifies interactive high priority applications (Tinet, 3270).

Table of Contents