EasyManua.ls Logo

JLG 1930ES - Lift Cylinder Assembly

JLG 1930ES
212 pages
Print Icon
To Next Page IconTo Next Page
To Next Page IconTo Next Page
To Previous Page IconTo Previous Page
To Previous Page IconTo Previous Page
Loading...
SECTION 4 - HYDRAULICS
3121166 – JLG Lift – 4-17
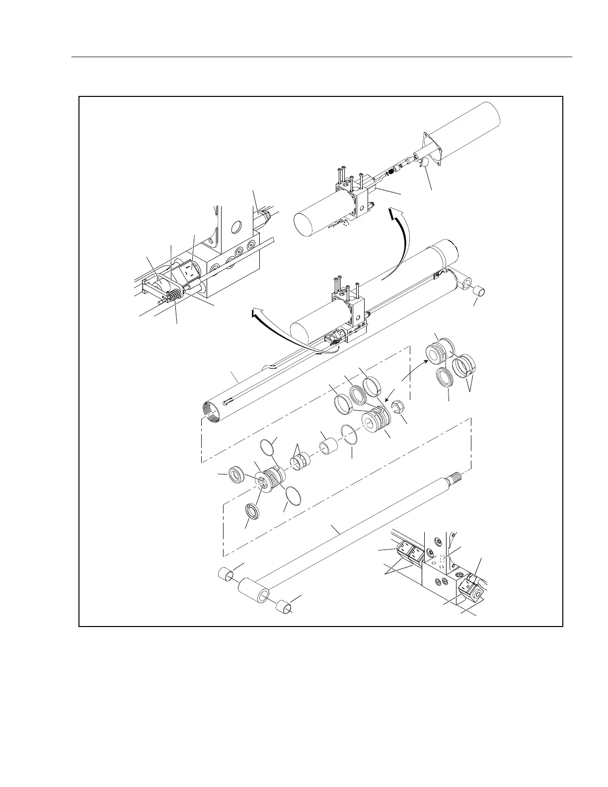
1. Proportional Valve
2. Emergency Release Assy.
3. Coil
4. Relief Valve
5. Pump
6. Filter
7. Spring
8. Jam Nut
9. Bushing
10. Barrel
11. Wear Ring
12. Seal
13. Locknut
14. Piston
15. O-ring
16. Seal
17. Head
18. O-ring
19. Wear Ring
20. Spacer
21. Wiper
22. O-ring
23. Bushing
24. Cylinder Rod
25. Check Valve
26. Dowel Pin
27. Directional Control Valve
28. Coil
29. Directional Control Valve
Figure 4-13. Lift Cylinder Assembly
OPPOSITE SIDE OF
CYLINDER PORT BLOCK
1
2
3
4
8
7
9
10
16
17
18
19
21
22
20
15
11
12
12
11
11
14
14
13
27
28
25
28
29
24
23
23
OR
1930ES
ONLY
26
6
5

Table of Contents

Other manuals for JLG 1930ES

Related product manuals