EasyManua.ls Logo

JLG 1930ES - Electrical Schematic - 187205 B - Sheet 2 of 2

JLG 1930ES
212 pages
Print Icon
To Next Page IconTo Next Page
To Next Page IconTo Next Page
To Previous Page IconTo Previous Page
To Previous Page IconTo Previous Page
Loading...
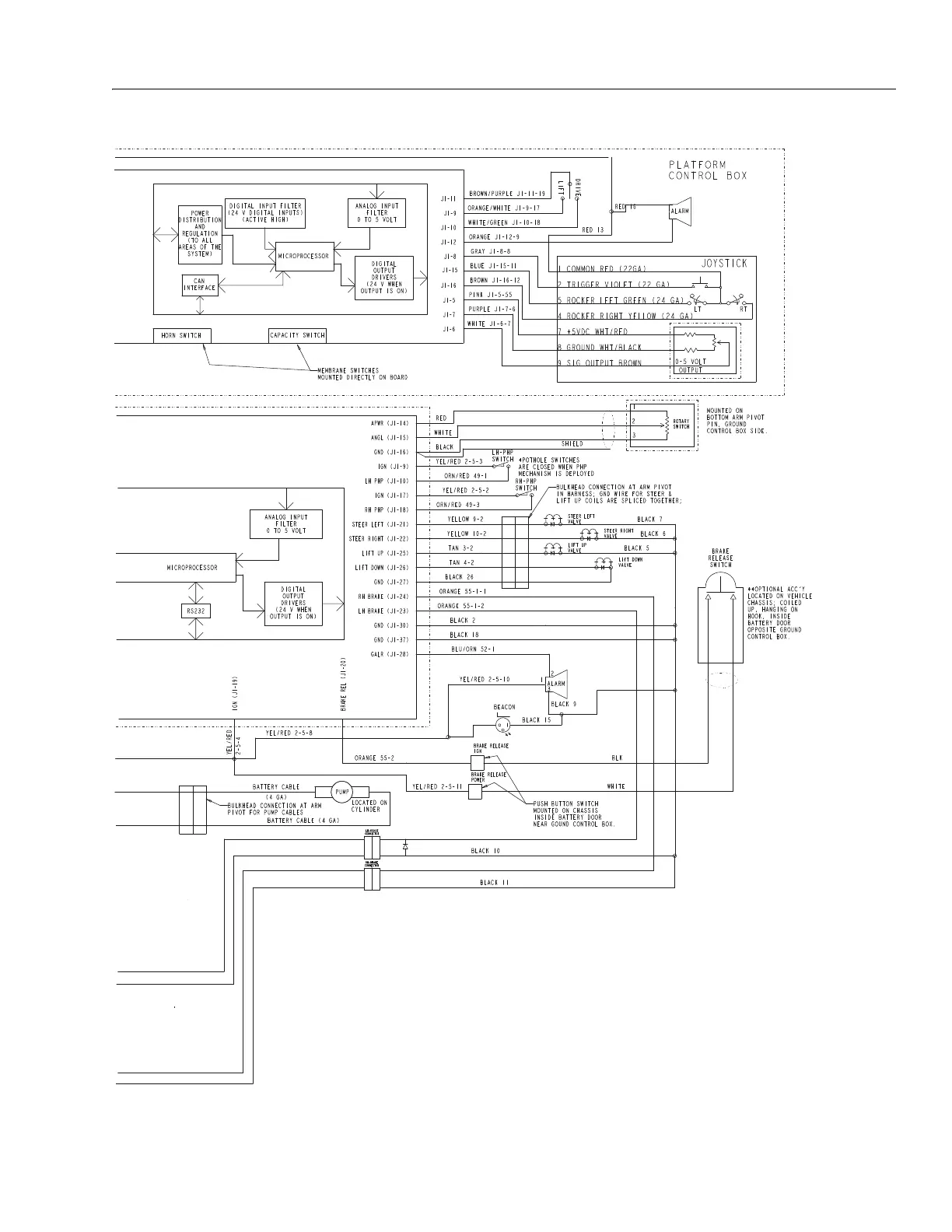
SECTION 7 - GENERAL ELECTRICAL INFORMATION & SCHEMATICS
3121166 – JLG Lift – 7-21
Electrical Schematic - 1870205B - Sheet 2 of 2
Figure 7-21. Electrical Schematic - 187205 B - Sheet 2 of 2
1930ES USA Built Machines S/N 0200150266 to Present
1930ES Belgium Built Machines S/N 1200007882
to Present
to Present
to Present
to Present
to Present
2030ES/2630ES USA Built Machines S/N 0200152825
2030ES/2630ES Belgium Built Machines S/N 1200008481
2646ES/3246ES USA Built Machines S/N 0200151606
2646ES/3246ES Belgium Built Machines S/N 1200008265
1870205 B

Table of Contents

Other manuals for JLG 1930ES

Related product manuals