EasyManua.ls Logo

JLG 1930ES - Electrical Components - Sheet 1 of 2

JLG 1930ES
212 pages
Print Icon
To Next Page IconTo Next Page
To Next Page IconTo Next Page
To Previous Page IconTo Previous Page
To Previous Page IconTo Previous Page
Loading...
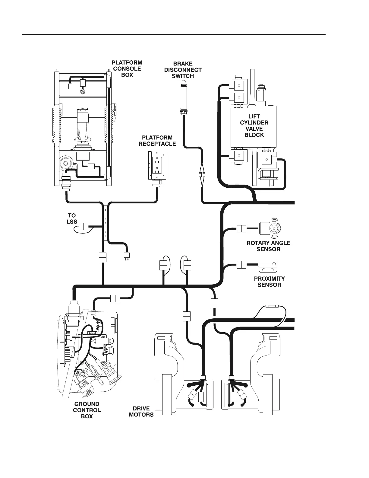
SECTION 7 - GENERAL ELECTRICAL INFORMATION & SCHEMATICS
7-32 – JLG Lift – 3121166
Electrical Components - Sheet 1 of 2
Figure 7-30. Electrical Components - Sheet 1 of 2
NOTE: (USA Built Machines Prior to S/N 0200135154) (Belgium Built Machines Prior to S/N 1200004293)

Table of Contents

Other manuals for JLG 1930ES

Related product manuals