EasyManua.ls Logo

JLG 1930ES - Electrical Schematic - (Machines with 1001092456 Power Module) - Sheet 1 of 3

JLG 1930ES
212 pages
Print Icon
To Next Page IconTo Next Page
To Next Page IconTo Next Page
To Previous Page IconTo Previous Page
To Previous Page IconTo Previous Page
Loading...
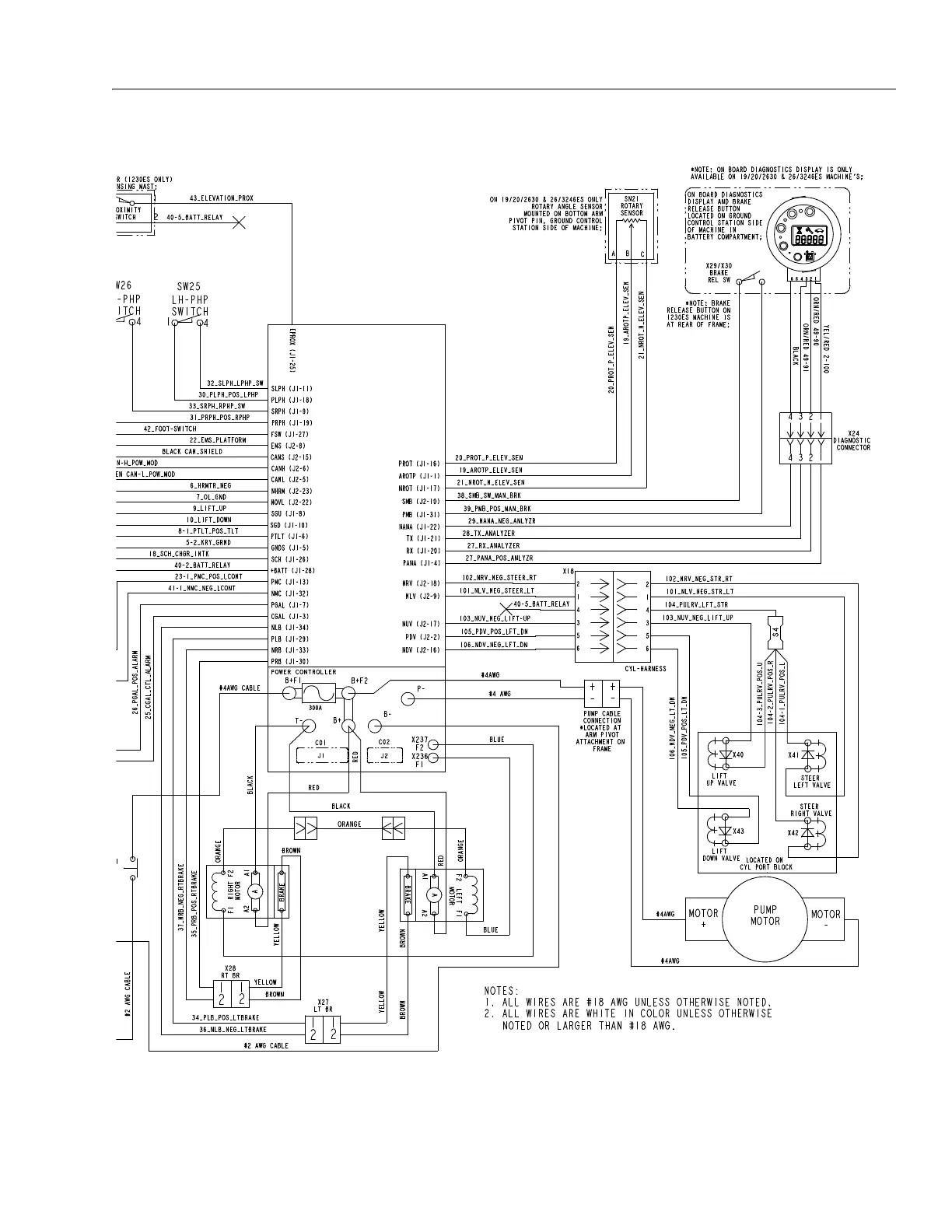
SECTION 7 - GENERAL ELECTRICAL INFORMATION & SCHEMATICS
3121166 – JLG Lift – 7-27
Figure 7-26. Electrical Schematic - (Machines with 1001092456 Power Module) - Sheet 1 of 3
TO S42
CONNECTOR
TO S42 CONN.
1001114879_C-1

Table of Contents

Other manuals for JLG 1930ES

Related product manuals