EasyManua.ls Logo

JLG 1930ES - Ground Control Station Operation

JLG 1930ES
212 pages
Print Icon
To Next Page IconTo Next Page
To Next Page IconTo Next Page
To Previous Page IconTo Previous Page
To Previous Page IconTo Previous Page
Loading...
SECTION 3 - CHASSIS & SCISSOR ARMS
3-4 – JLG Lift – 3121166
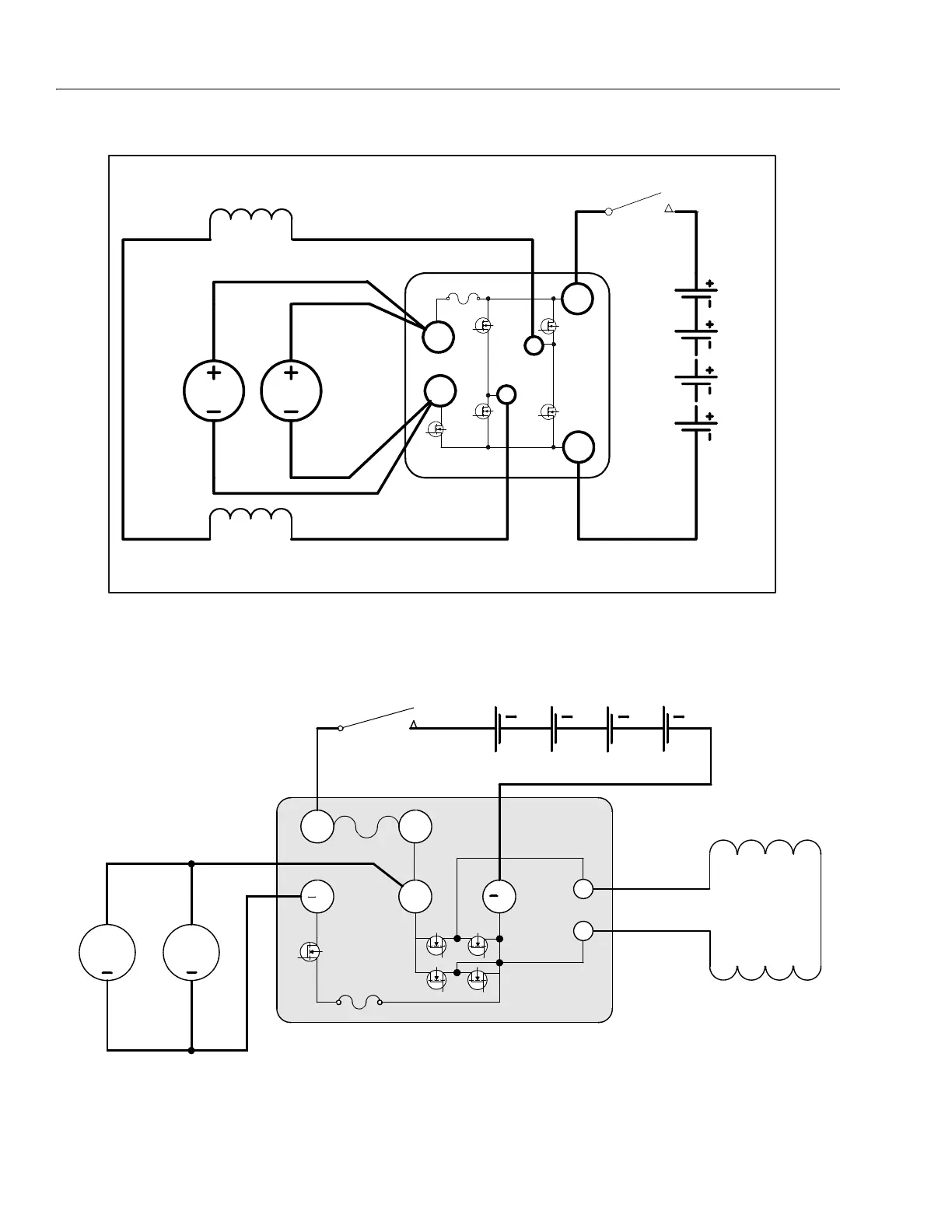
Figure 3-3. Traction Control Circuit - Sevcon Power Module
-B
+B
Right
Armature
24V
Line Contactor
Power Module
M1
M2
F1
F2
Left
Armature
Left Field Winding
Right Field Winding
Shunt
Armature
Switch
Field
Switches
12
4
3
Figure 3-4. Traction Control Circuit - ZAPI Power Module
+
24V
+
+
+
Line Contactor
Right Field Winding
Left Field Winding
Power Module
Left
Armature
Right
Armature
+
+
BF1
BF2
B
+B
T
F1
F2
Field
MOSFETS
Armature
MOSFET
Shunt

Table of Contents

Other manuals for JLG 1930ES

Related product manuals