EasyManua.ls Logo

JLG 1930ES - Electrical Schematic - Sheet 2 of 2 (Machines with MDI)

JLG 1930ES
212 pages
Print Icon
To Next Page IconTo Next Page
To Next Page IconTo Next Page
To Previous Page IconTo Previous Page
To Previous Page IconTo Previous Page
Loading...
SECTION 7 - GENERAL ELECTRICAL INFORMATION & SCHEMATICS
3121166 – JLG Lift – 7-23
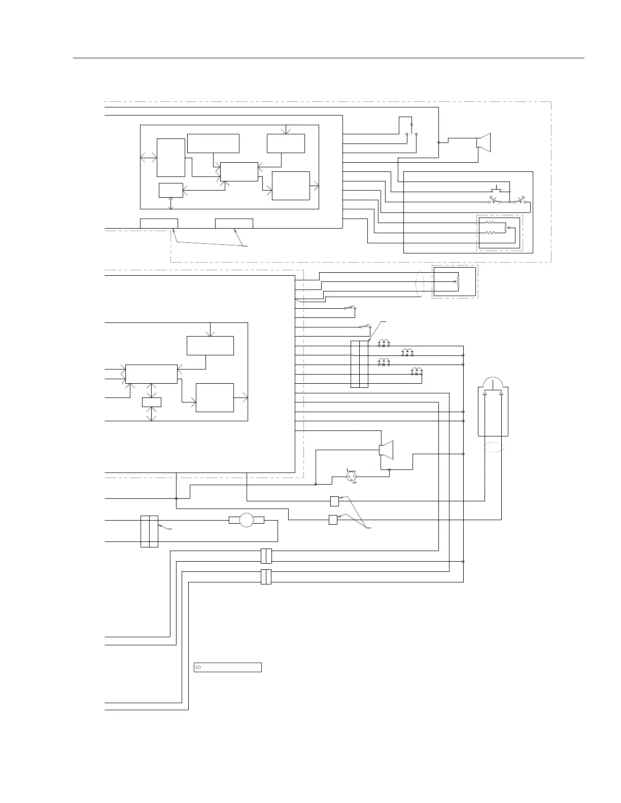
Electrical Schematic - Sheet 2 of 2 (Machines with MDI)
Figure 7-23. Electrical Schematic - Sheet 2 of 2 (Machines with MDI)
TAN 3-2
TAN 4-2
ORANGE 55-1-1
YELLOW9-2
YELLOW10-2
BLACK 26
BLACK 7
BLACK 6
BLACK 5
BLACK 2
BLU/ORN 52-1
BLACK18
BLACK 9
YEL/RED 2-5-2
ORN/RED49-3
ORN/RED49-1
BATTERY CABLE
(4 GA)
BATTERY CABLE (4 GA)
RED
WHITE
BLACK
SHIELD
YEL/RED 2-5-11
WHITE J1-6-7
PURPLE J1-7-6
PINK J1-5-55
BLUE J1-15-11
BROWN J1-16-12
GRAY J1-8-8
BROWN/PURPLE J1-11-19
ORANGE/WHITE J1-9-17
WHITE/GREEN J1-10-18
ORANGE J1-12-9
RED 16
RED 13
MEMBRANE SWITCHES
MOUNTED DIRECTLY ON BOARD
ORANGE 55-2
BLACK 10
ORANGE 55-1-2
PLATFORM
*POTHOLE SWITCHES
ARE CLOSED WHEN PHP
MECHANISM IS DEPLOYED
BLACK 15
YEL/RED 2-5-8
YEL/RED 2-5-10
YEL/RED
2-5-4
BRAKE
RELEASE
SWITCH
BLK
WHITE
**OPTIONAL ACC'Y
LOCATED ON VEHICLE
CHASSIS; COILED
UP, HANGING ON
HOOK, INSIDE
BATTERY DOOR
OPPOSITE GROUND
LOCATED ON
CYLINDER
POWER MODULE & CONTACTOR ARE
MOUNTED IN FRONT COMPARTMENT
OF CHASSIS BETWEEN DRIVE
MOTORS; COMPARTMENT IS
COVERED, DRIVE MOTOR CABLES
ENTER COMPARTMENT;
1
2
3
MOUNTED ON
BOTTOM ARM PIVOT
PIN, GROUND
YEL/RED 2-5-3
PUSH BUTTON SWITCH
MOUNTED ON CHASSIS
INSIDE BATTERY DOOR
BLACK 11
BULKHEAD CONNECTION AT ARM PIVOT
IN HARNESS; GND WIRE FOR STEER &
LIFT UP COILS ARE SPLICED TOGETHER;
BULKHEAD CONNECTION AT ARM
PIVOT FOR PUMP CABLES
MICROPROCESSOR
ANALOG INPUT
FILTER
0 TO 5 VOLT
DIGITAL
OUTPUT
DRIVERS
(24 V WHEN
OUTPUT IS ON)
STEER LEFT (J1-21)
STEER RIGHT (J1-22)
LIFT UP (J1-25)
LIFT DOWN (J1-26)
RH BRAKE (J1-24)
LH BRAKE (J1-23)
RH PHP (J1-18)
IGN (J1-17)
LH PHP (J1-10)
IGN (J1-9)
GND (J1-16)
ANGL (J1-15)
APWR (J1-14)
GND (J1-30)
GND (J1-37)
GALR (J1-28)
BRAKE REL (J1-20)
IGN (J1-19)
GND (J1-27)
RS232
STEER LEFT
VALV E
STEER RIGHT
VALV E
LIFT UP
VALV E
LIFT DOWN
VALV E
ALARM
RH-PHP
SWITCH
LH-PHP
SWITCH
ROTARY
SWITCH
1
2
3
OPTIONAL EQUIPMENT CONNECTION
PUMP
BRAKE RELEASE
IGN
BRAKE RELEASE
POWER
DIGITAL INPUT FILTER
(24 V DIGITAL INPUTS)
(ACTIVE HIGH)
MICROPROCESSOR
ANALOG INPUT
FILTER
0 TO 5 VOLT
DIGITAL
OUTPUT
DRIVERS
(24 V WHEN
OUTPUT IS ON)
POWER
DISTRIBUTION
AND
REGULATION
(TO ALL
AREAS OF THE
SYSTEM)
CAN
INTERFACE
J1-12
J1-10
J1-9
J1-11
J1-8
J1-16
J1-6
J1-7
J1-15
J1-5
CAPACITY SWITCH
HORN SWITCH
JOYSTICK
1 COMMON
RED (22GA)
2 TRIGGER
VIOLET (22 GA)
5 ROCKER LEFT GREEN (24 GA)
4 ROCKER RIGHT
YELLOW (24 GA)
7 +5VDC WHT/RED
8 GROUND WHT/BLACK
9 SIG OUTPUT BROWN
LT RT
0-5 VOLT
OUTPUT
ALARM
LIFT
DRIVE
BEACON
LH-BRAKE
CONNECTOR
RH-BRAKE
CONNECTOR
NEAR GOUND CONTROL BOX.
CONTROL BOX.
CONTROL BOX SIDE.
CONTROL BOX
X025
X024
X012
X014
X022
X041
X043
X042
X044
X016
X009
X023
X015
X001
X050
X057
X052
X053
X049
X013
1870205 B

Table of Contents

Other manuals for JLG 1930ES

Related product manuals