EasyManua.ls Logo

JLG 1930ES - Electrical Schematics and Layouts

JLG 1930ES
212 pages
Print Icon
To Next Page IconTo Next Page
To Next Page IconTo Next Page
To Previous Page IconTo Previous Page
To Previous Page IconTo Previous Page
Loading...
SECTION 7 - GENERAL ELECTRICAL INFORMATION & SCHEMATICS
7-18 – JLG Lift – 3121166
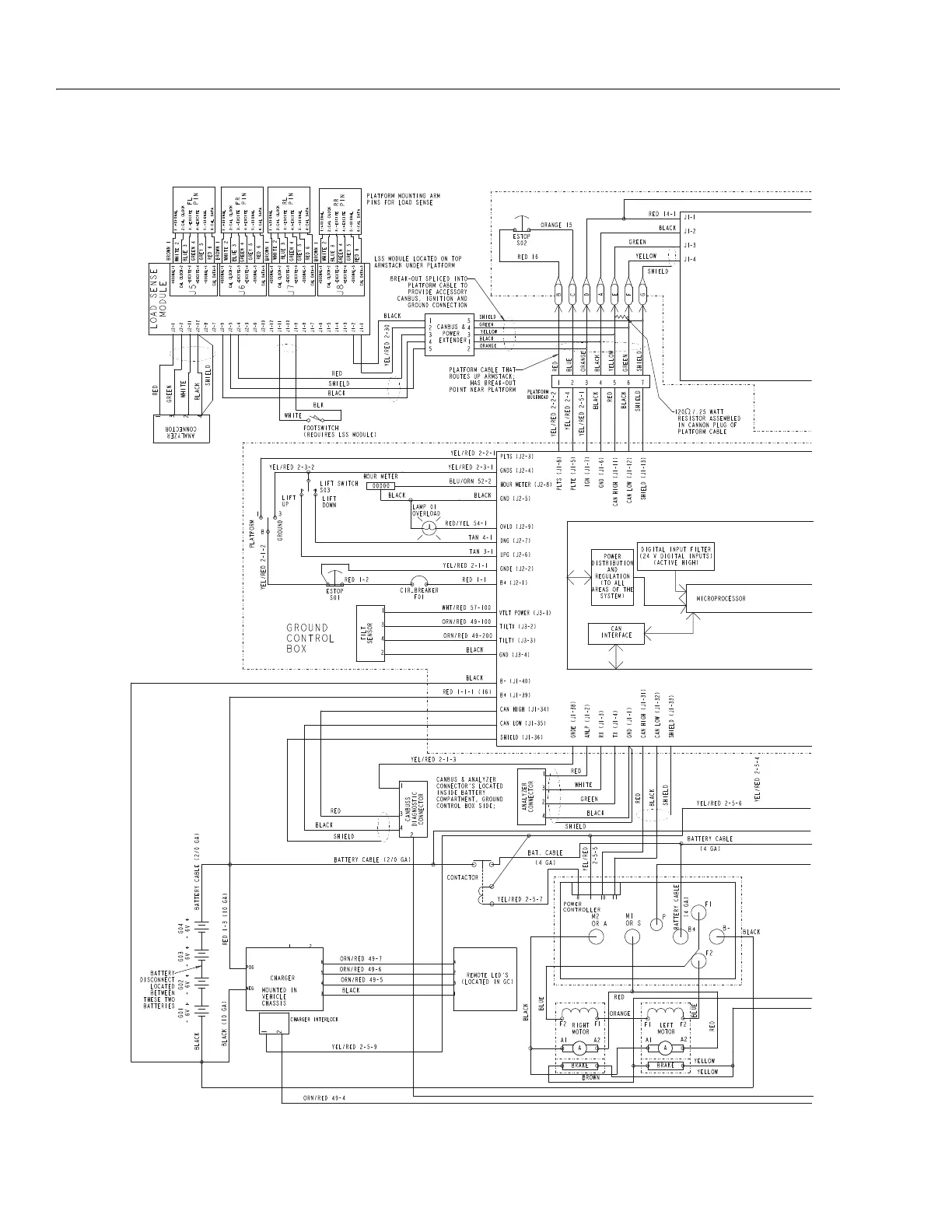
7.7 ELECTRICAL SCHEMATICS AND LAYOUTS
Electrical Schematic - 1870164G - Sheet 1 of 2
Figure 7-18. Electrical Schematic - 1870164 G - Sheet 1 of 2

Table of Contents

Other manuals for JLG 1930ES

Related product manuals