EasyManua.ls Logo

Microscan QX-830 - Page 297

Microscan QX-830
395 pages
Print Icon
To Next Page IconTo Next Page
To Next Page IconTo Next Page
To Previous Page IconTo Previous Page
To Previous Page IconTo Previous Page
Loading...
QX-830 Compact Industrial Scanner User’s Manual A-9
Appendices
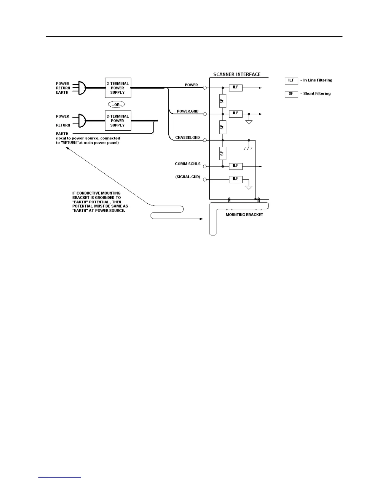
Expected Power and Ground Connections for Proper Operation
Notes:
Ensure that mounting bracket “Earth” is at the same potential as power source “Earth”.
Supply “Return” and “Earth” ground must be stable, low-impedance reference points.
“2-Terminal Power Supply” must still provide an “Earth” connection to the scanner.
“Signal Ground” can be used for communications and/or discrete signal ground reference.
It must not be used as Power Ground or Earth Ground.

Table of Contents