EasyManua.ls Logo

Microscan QX-830 - Ground Loops

Microscan QX-830
395 pages
Print Icon
To Next Page IconTo Next Page
To Next Page IconTo Next Page
To Previous Page IconTo Previous Page
To Previous Page IconTo Previous Page
Loading...
QX-830 Compact Industrial Scanner User’s Manual 3-5
Hardware Installation
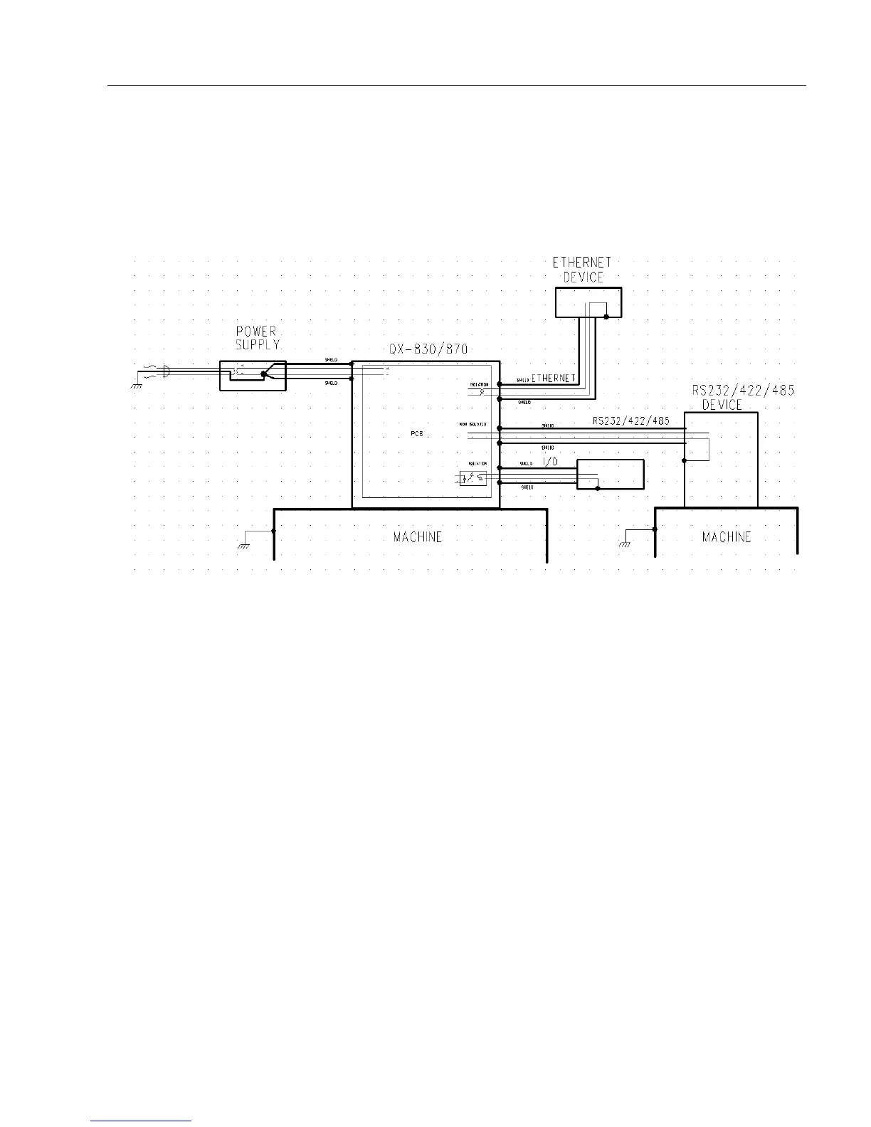
Grounding the QX-830
Proper grounding is necessary for operator safety, noise reduction, and the protection of
equipment from voltage transients. Buildings, including any steelwork, all circuits, and all
junction boxes must be grounded directly to an earth ground in compliance with local and
national electrical codes.
Ground Loops
Ground loops (signal degradation due to different ground potentials in communicating
devices) can be eliminated or minimized by ensuring that both the host, scanner, and their
power supplies are connected to a common earth ground.
An earth ground is provided through the cable shields and chassis of the scanner.

Table of Contents