EasyManua.ls Logo

Microscan QX-830 - Page 46

Microscan QX-830
395 pages
Print Icon
To Next Page IconTo Next Page
To Next Page IconTo Next Page
To Previous Page IconTo Previous Page
To Previous Page IconTo Previous Page
Loading...
3-6 QX-830 Compact Industrial Scanner User’s Manual
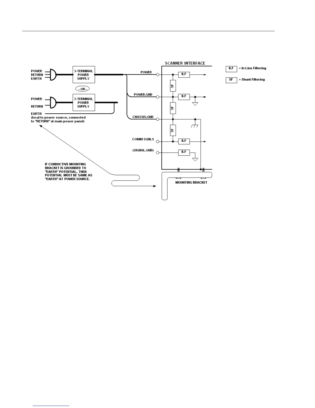
QX-830 and QX-1 Connectors and Pinouts
Expected Power and Ground Connections for Proper Operation
Notes:
Ensure that mounting bracket “Earth” is at the same potential as power source “Earth”.
Supply “Return” and “Earth” ground must be stable, low-impedance reference points.
“2-Terminal Power Supply” must still provide an “Earth” connection to the scanner.
“Signal Ground” can be used for communications and/or discrete signal ground reference.
It must not be used as Power Ground or Earth Ground.

Table of Contents