EasyManua.ls Logo

MV Agusta F4 S - Page 199

MV Agusta F4 S
506 pages
Print Icon
To Next Page IconTo Next Page
To Next Page IconTo Next Page
To Previous Page IconTo Previous Page
To Previous Page IconTo Previous Page
Loading...
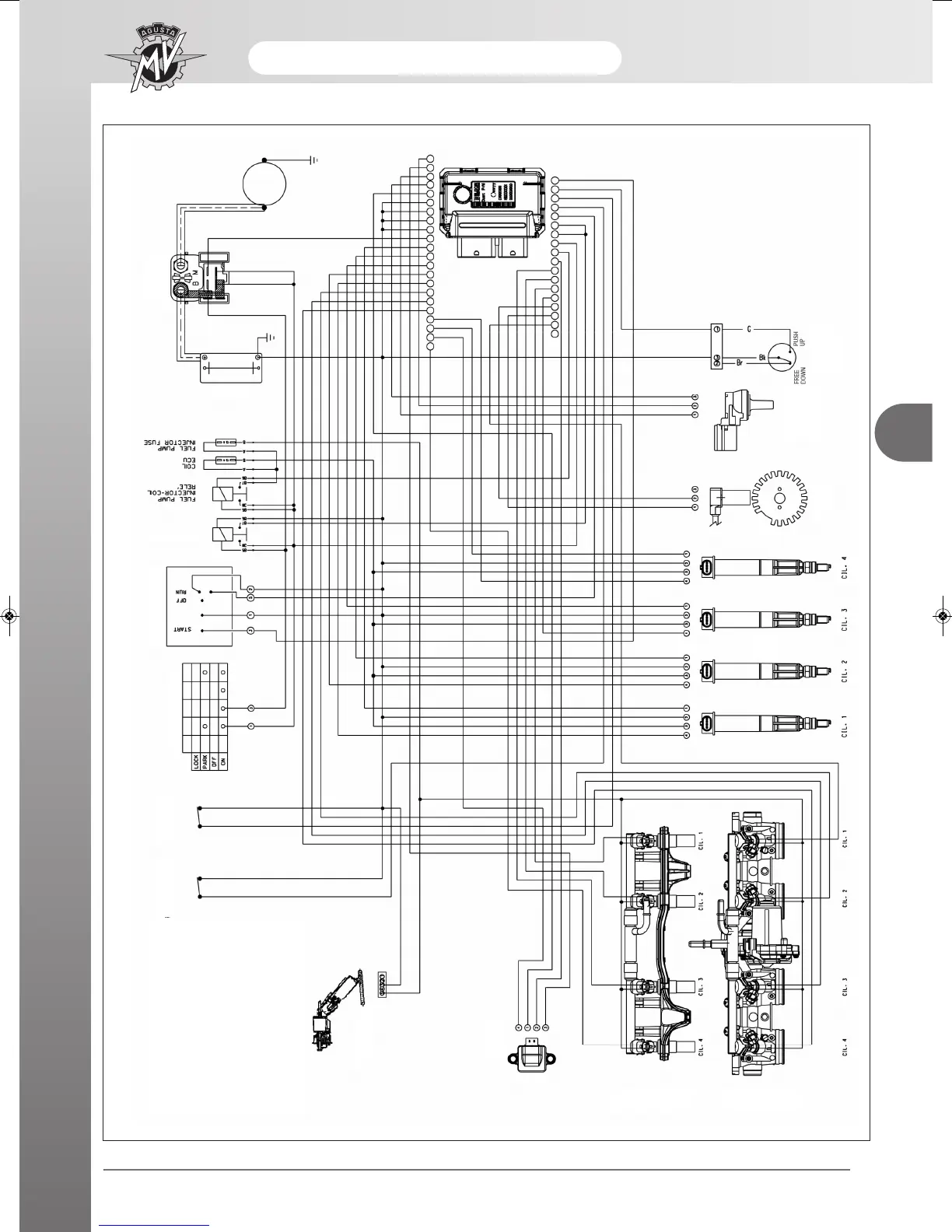
Electrical system
- 25 -
E
F4 MY13
Ignition key in the “ON” position
Safety switch in the “RUN” position
Start activated
Side stand out
Gear not engaged
Clutch not pulled in
Engine is starting
SOLENOID
STARTER
BATTERY
KEY SWITCH
SAFETY SWITCH
MAIN RELAY
CLUTCH
SWITCH
SIDE
STAND
SWITCH
NEUTRAL
SWITCH
LEAN
SENSOR
PICK-UP
WHEEL
PRESSURE
SENSOR
UNDER
THROTTLE
THROTTLE BODY
UPPER INJECTRS
FUEL PUMP
PLUG-
TOP
COILS
THROTTLE BODY
LOWER INJECTRS
E_Imp_elettrico_GB_Rev.3_E_Imp_elettrico_GB_Rev.3.qxd 23/05/13 14:53 Pagina 25

Table of Contents

Related product manuals