EasyManua.ls Logo

Nortel SONET AccessNode 800A Series - Page 383

Nortel SONET AccessNode 800A Series
450 pages
Print Icon
To Next Page IconTo Next Page
To Next Page IconTo Next Page
To Previous Page IconTo Previous Page
To Previous Page IconTo Previous Page
Loading...
Cabinet and equipment wiring and cabling 13-25
AccessNode Series 800A Outside Plant Cabinet Installation 323-3001-210 Issue 1.0
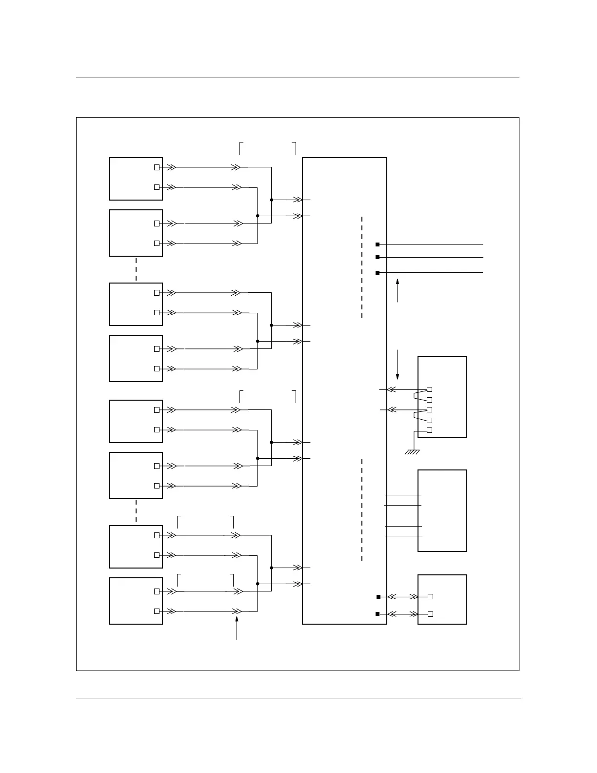
Figure 13-16
BBP cabling
FW-15183
-
+
-
+
RED
BLK
Neg -48V 1
Pos RTN 1
RED
BLK
RED
BLK
NT1W64AA
Battery
string 2
Battery
breaker panel
Battery
string 1
-
+
-
+
RED
BLK
Neg -48V 4
Pos RTN 4
RED
BLK
RED
BLK
Battery
string 7
Battery
string 8
-
+
-
+
RED
BLK
-Neg 48V 2
Pos RTN 2
RED
BLK
RED
BLK
Battery
string 10
NT1W64AA
Battery
string 9
-
+
-
+
RED
BLK
Neg -48V 4
Pos RTN 4
RED
BLK
RED
BLK
Battery
string 14
Battery
string 13
Breaker A1
Breaker A4
Breaker B2
Breaker B4
Battery interface connector field
From
thermostat
Part of NT7A6980
Fan
7
(IN)
11
12
Fan fail alarm
Alarm circuit power CU A
Alarm circuit power CU B
Breaker B1
RPTR 2
-48 A
-48 B
BR A
BR B
FG
TB1
1
2
3
4
5
RED
BLK
NT1W84DB cable
-Neg 48V 1
Pos RTN 1
BK
BK
BL
DC shelf
Bat.1
BR
Bat.2
BR
RED
BK
RED
BK
Neg
Pos
Neg
Pos
A
B
2
1
BL
OR
ABM SIL
2
1
NT1W64BA
NT1W64BA
FW-15183

Table of Contents

Related product manuals