EasyManua.ls Logo

Oval ALTI mass CA00A - Page 133

Oval ALTI mass CA00A
162 pages
Print Icon
To Next Page IconTo Next Page
To Next Page IconTo Next Page
To Previous Page IconTo Previous Page
To Previous Page IconTo Previous Page
Loading...
L
--
740
--
28
--
E
1
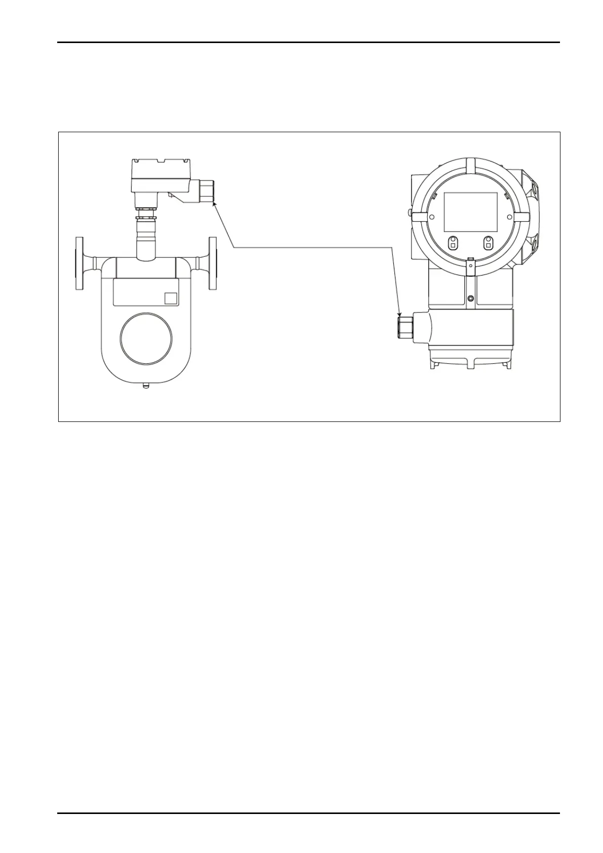
Caution in Use of Adapter
Seal off properly not to make the infiltration of rain water and dust from screw tightening part.
Adapter attached is able to be replaced with similar products.
■ ATEX, IECEx, KCs, CSA and EAC explosionproof
Adapters are already connected to separate type converter and electric wire connection port of detector.
Use equipment under the status of adapter connected.
Adapter
SizeofConnectingScrew:M20×1.5
■ATEX,IECEx,KCs,EACExplosionproof
SizeofConnectingScrew:NPT1/2,
             M20×1.5
■TIIS,NEPSIExplosionproof
Integral Type Converter
Separate Type Converter

Table of Contents

Related product manuals