EasyManua.ls Logo

Piper Warrior III - FUEL FLOW

Piper Warrior III
1104 pages
Print Icon
To Next Page IconTo Next Page
To Next Page IconTo Next Page
To Previous Page IconTo Previous Page
To Previous Page IconTo Previous Page
Loading...
PIPER AIRCRAFT, INC.
PA-28-161, WARRIOR III
MAINTENANCE MANUAL
PAGE 2
Nov 30/06
5J16
91-77-40
OIL PRESS HI
9
FUEL FLOW HI
Q5F22
E5J22WH
E5J22BL
E5G22
Q4A20
Q4A20N
10
8
9
STRAP 3
STRAP 1
STRAP 2
GS
18
RS232 GROUND COM2
36
37
19
RS232 RECEIVE COM2
RS232 TRANSMIT COM2
SHIELD
1
23
5
10
28
FUEL QTY LEFT HI
FUEL QTY LEFT LO
FUEL FLOW EXC
FUEL FLOW LO
20
+28 VDC POWER (B)
ACFT GND
1
J2
J3
J2
J3
P305
P304
P305
P304
P406
ENGINE COMPARTMENT
J331
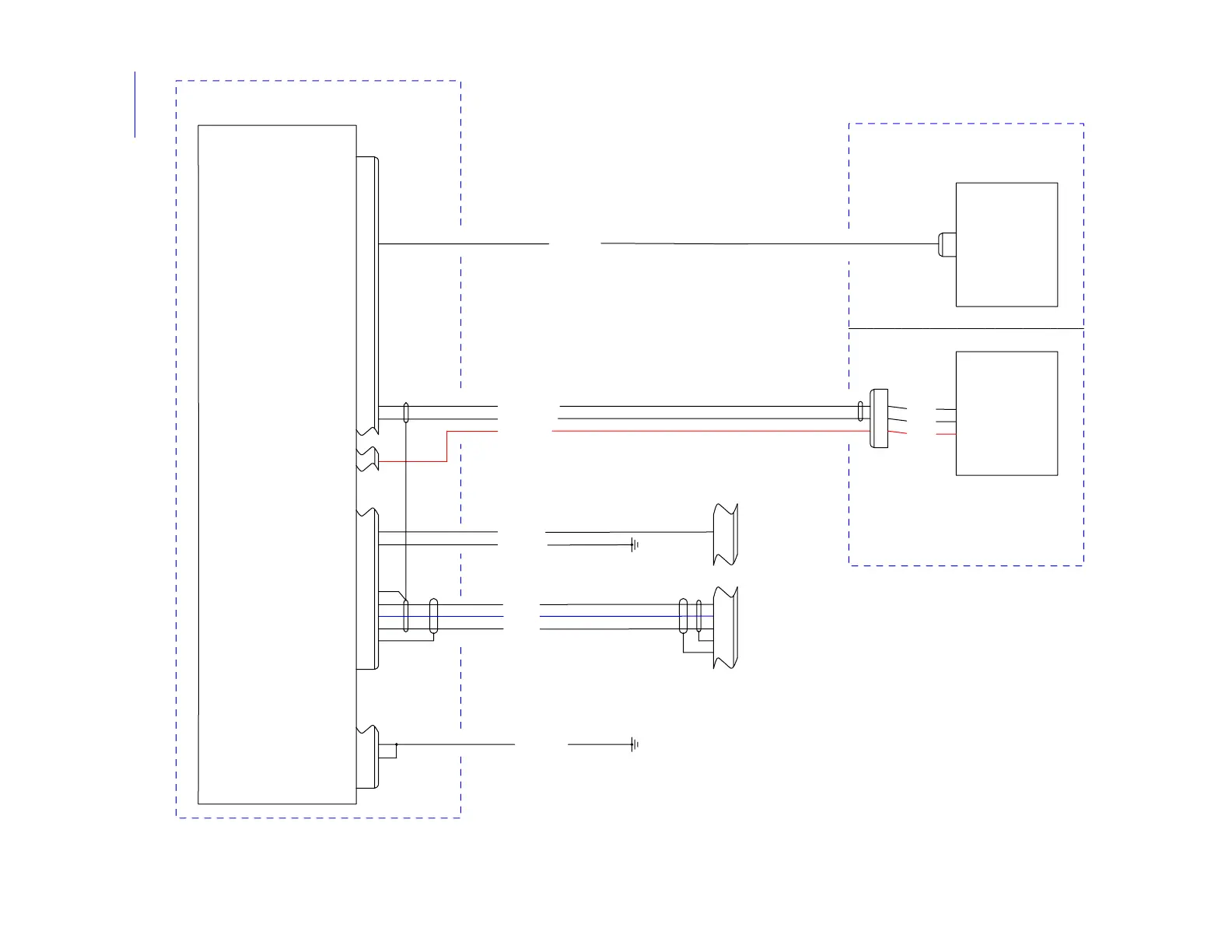
OIL PRESSURE
FUEL FLOW
DAU
9
J324
20
21
22
23
WHT
BLU
ORG
GS
24
RED
WHT
BLK
P7D22N
R FUSELAGE WING SPAR BOX (FS 128.737)
AFT ENGINE FIREWALL
SENSOR
SENSOR
1
2
3
101902-SHT 8-H/ T
Data Acquisition Unit (DAU)
Figure 1 (Sheet 2 of 2)
Effectivity
with Avidyne Entegra

Table of Contents

Related product manuals