EasyManua.ls Logo

Piper Warrior III - ANTENNA COUPLER; MULTI-FUNCTION DISPLAY (MFD)

Piper Warrior III
1104 pages
Print Icon
To Next Page IconTo Next Page
To Next Page IconTo Next Page
To Previous Page IconTo Previous Page
To Previous Page IconTo Previous Page
Loading...
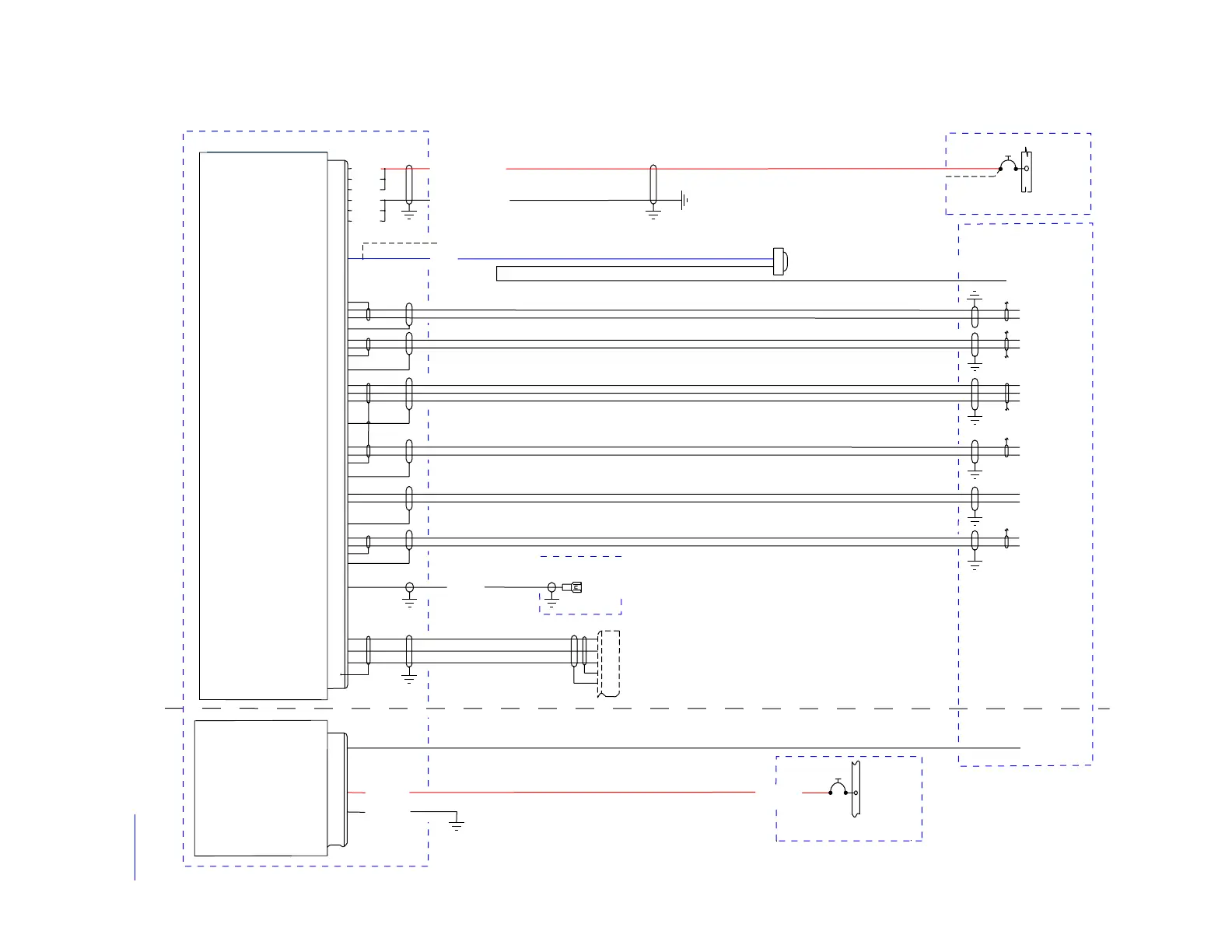
Multi-Function Display (MFD)
Figure 3
Eff
ectivity
with Avidyne Entegra
P530
JB6-K, *
JB6-P, *
JB11-S, **
JB10-K, **
JB10-P, **
JB12-W, **
JB12-P, **
JB9-K, **
JB9-P, **
GB2-F
JB11-K, **
JB11-W, **
JB12-D, **
JB12-E, **
22RED
22BLK
22RED
22RED
22BLK
22BLK
JB7-G, **
BLU
20RED
20BLK
20RED
GB1-R
MAIN BUS
70
71
69
RS232 D GND (DAU)
RS232 D OUT (DAU)
RS232 D IN (DAU)
W
O
B
ARINC 429RX 1A
5
TTL OUT 2
7
TTL OUT 3
SHIELD GND
ARINC 429RX 4A
ARINC 429RX 4B
68
67
48
47
RS232 C RX
50
ARINC 429RX 3A
ARINC 429RX 3B
SHIELD GND
RS232 C TX
RS232 C GND
8
4
28
51
49
SHIELD GND
ARINC 429RX 2A
ARINC 429RX 2B
23
65
45
ARINC 429RX 1B
25
SHIELD GND
LIGHTING
+28 VDC
+28 VDC
+28 VDC
18
GND
GND
24
61
62
GND
60
42
41
40
20 AWG BLK
20 AWG RED
MFD
CB3
CIRCUIT BREAKER PANEL
R INSTRUMENT PANEL
MFD
TO PFD BEZEL
DIMMING (FIGURE 2)
AVIONICS
CB25
COM2
DC 50 ANT COUPLER
P501
+28 VDC ACFT PWR
1
XMTR PTT
5
ACFT GND
8
JB5-H
*
CIRCUIT BREAKER PANEL
GB2-R
*
INSTRUMENT PANEL
1
EXCEEDANCE HORN
CENTER PEDESTAL
E7S22
14
DISC_OUT0
21
P324
20
22
23
24
TO DAU, SEE 91-77-40
W
B
W
B
O
B
W
W
B
B
W
O
B
W
B
W
B
W
B
W
B
W
BUS
101900-SHT 5-K/L
*
91-24-30, FIGURE 2, SHEET 1
**
91-24-30, FIGURE 2, SHEET 2
(OPTIONAL)
2
J334
TO P334
PIPER AIRCRAFT, INC.
PA-28-161, WARRIOR III
MAINTENANCE MANUAL
PAGE 3
Nov 30/06
5J11
91-34-20

Table of Contents

Related product manuals