EasyManua.ls Logo

Piper Warrior III - PITOT HEAT

Piper Warrior III
1104 pages
Print Icon
To Next Page IconTo Next Page
To Next Page IconTo Next Page
To Previous Page IconTo Previous Page
To Previous Page IconTo Previous Page
Loading...
PIPER AIRCRAFT, INC.
PA-28-161, WARRIOR III
MAINTENANCE MANUAL
PAGE 1
Nov 30/06
5I3
91-30-30
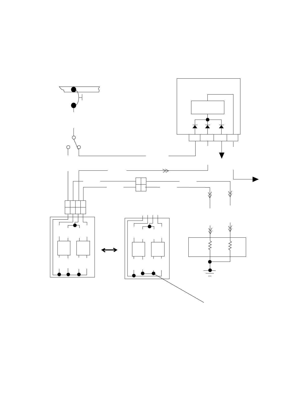
Pitot Heat
Figure 1 (Sheet 1 of 2)
PITOT HEAT
OFF/INOP
P3A
8
10
7
ANNUNCIATOR PANEL
(REF.)
TO P1-
CONT-7
PITOT
HEAT
L2A 20
1
1
2
2
3
3
4
4
WHT
WHT
BLK
BLK
WHT
WHT
GRN
GRN
PITOT SENSOR ASSY.
S/N'S 2842001 THRU 2842007
ONLY
H2B 18
7 1/2 A
9
D19A 20
D19B 20
1
2
1
2
H2D 18
H3A 18
DN20A 20
100W 70W
PTT
H3B 18
H2C 18
H3C 18
DN18A 22
H2E 18
J302
PITOT
HEAD
5
4
OFF
ON
6
PITOT
HEAT
SWITCH
P303
J303
P302
WHT
BLK
BLK
WHT
WHT
GRN
GRN
PITOT SENSOR ASSY.
S/N'S 2842008 AND UP
WHT
TO DN2B22
- ANNUNCIATOR BREAKER
85423 F
104295 F

Table of Contents

Related product manuals