EasyManua.ls Logo

Piper Warrior III - MAGNETOS

Piper Warrior III
1104 pages
Print Icon
To Next Page IconTo Next Page
To Next Page IconTo Next Page
To Previous Page IconTo Previous Page
To Previous Page IconTo Previous Page
Loading...
FILTER
FUEL
PUMP
IN-LINE
21
FILTER
CAPACITOR
K2B4
STARTER
P2A4
BUS
MAIN
FEEDER
BATTERY
CB1
70
STARTER
CONTACTOR
P1A4
P1C4
W2B20
AUX
B
G
P3D6
ALTERNATOR
1A
W2D20
F
P2D20
W2C20
W2B20
VOLT REG &
OVER VOLT REG
BLUE
OUT
SWITCH
BLACK
RED
P3A6
SHUNT
AMMETER +
AMMETER -
P6B18BL
P6B18WH
P3B4
ALTERNATOR
5A
2
1
Q3E20
ENGINE COMPARTMENT
K1G18
K2A4
J300
ENGINE COMPARTMENT
CIRCUIT BREAKER PANEL
FIREWALL
2
3
32
5
4
6
P301
FWD FUSELAGE
L SIDEWALL PANEL
TO
J400
(SEE
91-77-40,
FIGURE 1
SHEET 1)
P400
33
P2C20
J1C18
J2C18
R. MAG
L. MAG
SOLENOID
FUEL
PRIMER
Q1D20
Q1D20
Q3E20
14
19
E1B20
K1H18N
GS
E1C20
TO BATT CONTACTOR
(SEE 91-33-10,
FIGURE 2, SHEET 2)
101902-SHT 5-A/T
L3D16
LIGHT
LANDING
1
2
P407
L3C16
1
2
3
PIPER AIRCRAFT, INC.
PA-28-161, WARRIOR III
MAINTENANCE MANUAL
PAGE 2
Nov 30/06
5H14
91-24-30
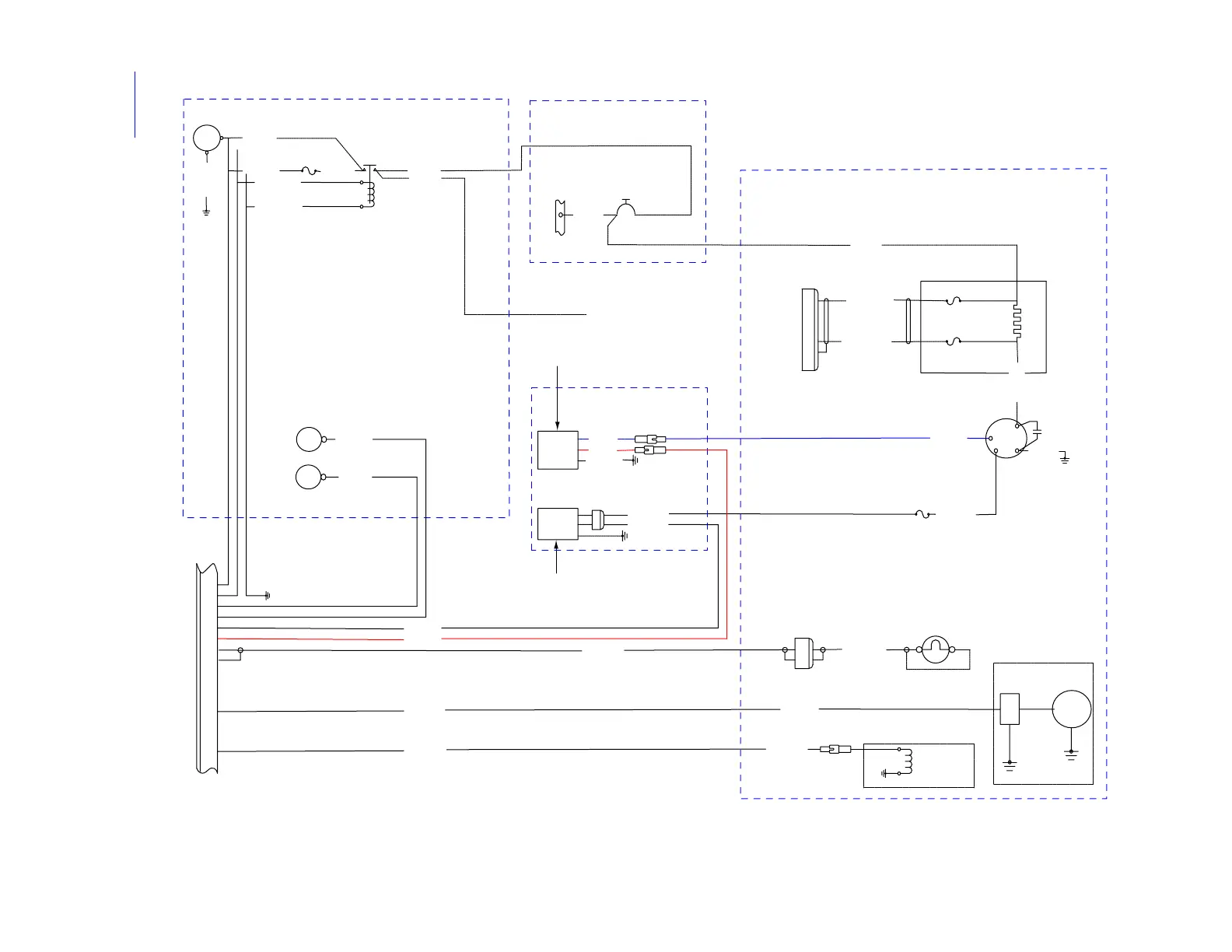
Alternator Power
Figure 1 (Sheet 2 of 2)
Eff
ectivity
with Avidyne Entegra

Table of Contents

Related product manuals