EasyManua.ls Logo

Piper Warrior III - CLOCK; ENGINE HOUR METER

Piper Warrior III
1104 pages
Print Icon
To Next Page IconTo Next Page
To Next Page IconTo Next Page
To Previous Page IconTo Previous Page
To Previous Page IconTo Previous Page
Loading...
PIPER AIRCRAFT, INC.
PA-28-161, WARRIOR III
MAINTENANCE MANUAL
PAGE 1
Nov 30/06
5I5
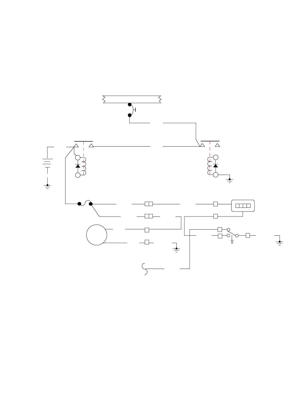
91-31-30
Engine Hour Meter and Clock
Figure 1
BATTERY
FEEDER
BATTERY
CONTACTOR
STARTER
CONTACTOR
P1A 4
ELECTRICAL BUS
70 A
M2A 20
M1B 20
P1C 4
M2C 20
5
7
7
5
M3A 20
P1D 4
4
2
1
P2
R2
M2B 20N
PWR
GND
0 0 0 0
1
C
NC
W6B 20N
1
2
TO P3, PIN 4
ANNUNCIATOR
PANEL
HOUR METER
NO
P
OI L
PRESSURE
SWITCH
M3C 20
5A
W6A 20
CLOCK
P2
R2
(OPT.)
2
3
85423 F
104295 F

Table of Contents

Related product manuals