EasyManua.ls Logo

Piper Warrior III - ENGINE GAUGE, 3-IN-1; FUEL PRESSURE; OIL PRESSURE; OIL TEMPERATURE

Piper Warrior III
1104 pages
Print Icon
To Next Page IconTo Next Page
To Next Page IconTo Next Page
To Previous Page IconTo Previous Page
To Previous Page IconTo Previous Page
Loading...
PIPER AIRCRAFT, INC.
PA-28-161, WARRIOR III
MAINTENANCE MANUAL
PAGE 1
Nov 30/06
5J17
91-79-30
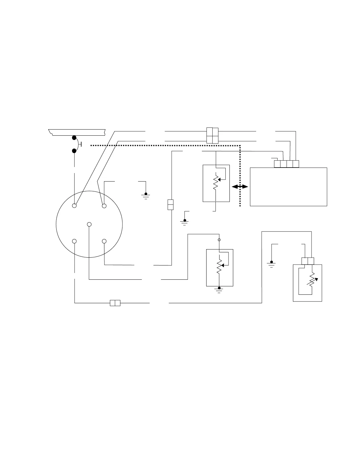
Oil Temperature / Oil Pressure / Fuel Pressure
Figure 1
AB
28V GND
OIL
TEMP
FUEL
PRESS
OIL
PRESS
ELECTRICAL BUS
ENGINE
GAUGE
Q8A 20N
Q6A 20
Q5A 20
5
5
Q5B 20N
P1 R1
OIL
PRESS
SENDER
Q7A 20
FUEL
PRESS
SENDER
Q6D 20N
Q5B 20
Q6B 20
3
3
P2
R2
OIL
TEMP
SENSOR
Q6C 20
T
3A
ACDB
FUEL PRESSURE
TRANSDUCER
(S/N'S 2842011 & UP)
Q6F 20
Q6H 20
Q6G 20
Q6E 20
NOT USED
2
1
2
1
P2A
R2A
85423 F
104295 F

Table of Contents

Related product manuals