EasyManua.ls Logo

Piper Warrior III - NOSE WHEEL; REMOVAL AND DISASSEMBLY

Piper Warrior III
1104 pages
Print Icon
To Next Page IconTo Next Page
To Next Page IconTo Next Page
To Previous Page IconTo Previous Page
To Previous Page IconTo Previous Page
Loading...
PIPER AIRCRAFT, INC.
PA-28-161, WARRIOR III
MAINTENANCE MANUAL
PAGE 3
Nov 30/06
3E13
32-40-00
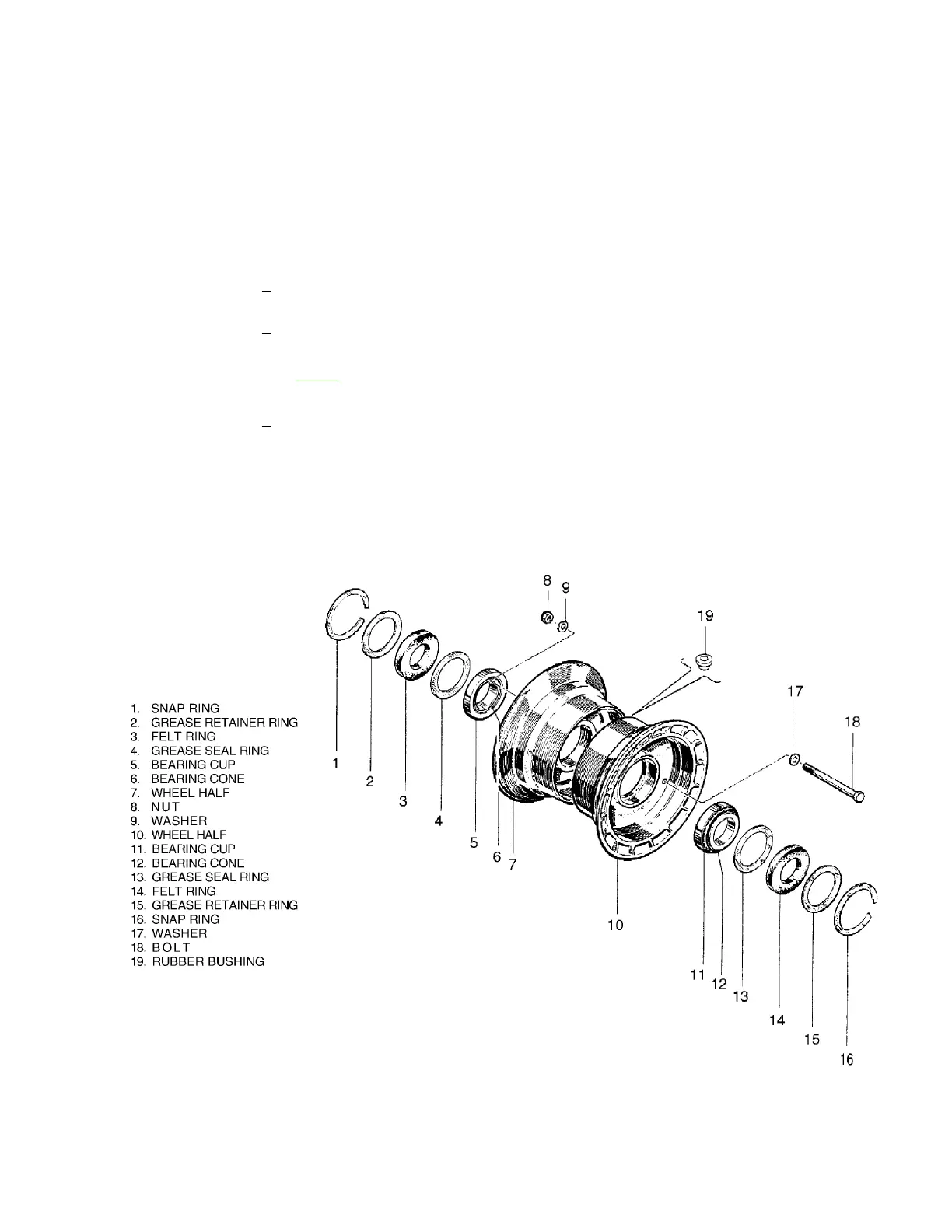
B. Nose Wheel (See Figure 2.)
(1) Removal and Disassembly
(a) Jack the airplane enough to raise the nose wheel clear of the ground. (Refer to Jacking,
Section 7-10-00.)
(b) If wheel fairing is installed, remove four bolts, two on each side, and the small plate on top
held by metal screws. Slide fairing up on the gear until wheel is removed.
(c) Remove wheel by the following procedure:
1 Remove the nut and washer from one end of the axle rod and slide out the rod and
axle plugs.
2 Lightly tap the axle tube out from the center of the wheel assembly by use of an
object of near equal diameter.
NOTE
: Be certain not to damage the axle tube end in any way. This will make
removal and installation extremely difficult.
3 Remove the spacer tubes and the wheel assembly.
Nose Wheel Assembly
Figure 2

Table of Contents

Related product manuals