EasyManua.ls Logo

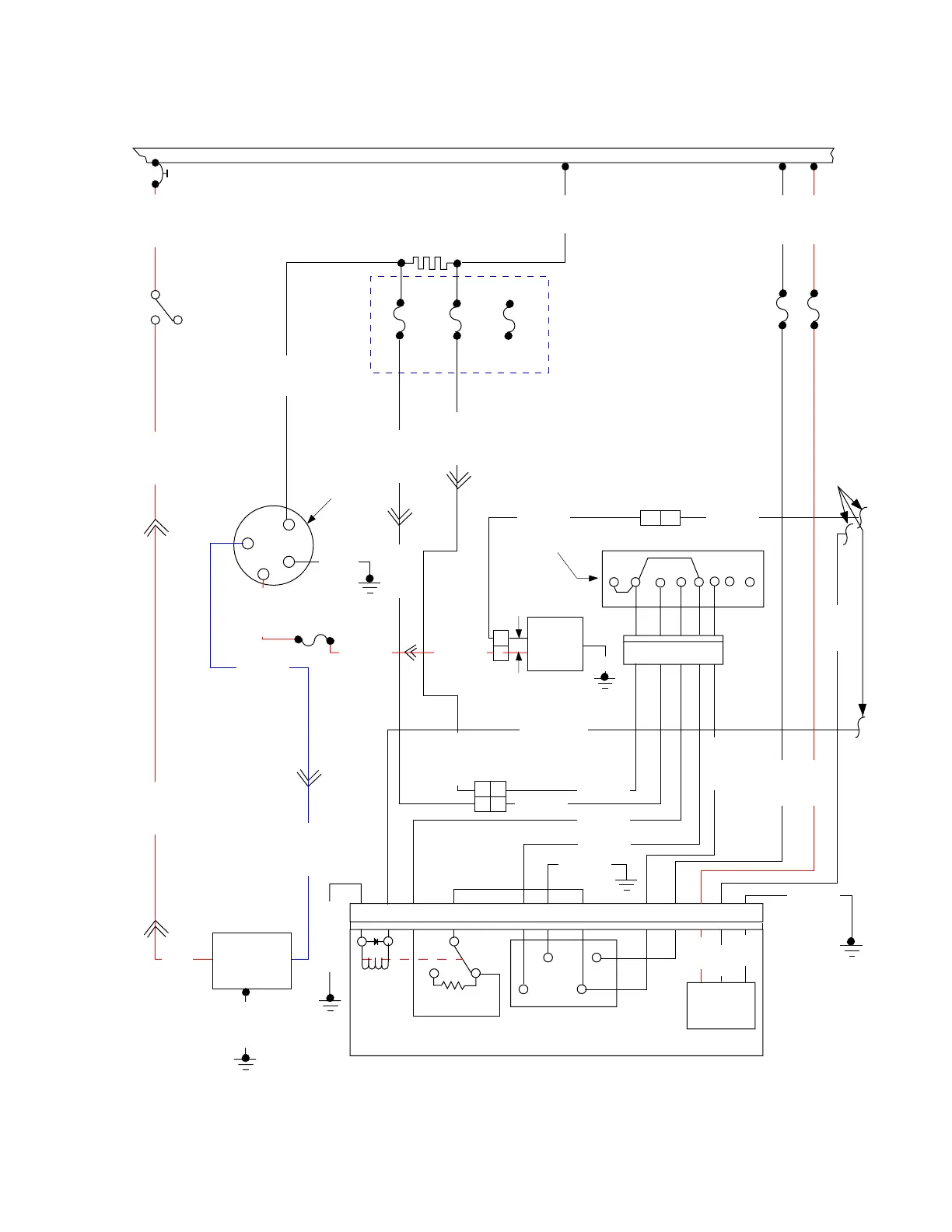
Piper Warrior III - ALTERNATOR POWER; AMMETER; LOW VOLTAGE MONITOR

Piper Warrior III
1104 pages
Print Icon
To Next Page IconTo Next Page
To Next Page IconTo Next Page
To Previous Page IconTo Previous Page
To Previous Page IconTo Previous Page
Loading...
PIPER AIRCRAFT, INC.
PA-28-161, WARRIOR III
MAINTENANCE MANUAL
PAGE 1
Nov 30/06
5H13
91-24-30
ALTERNATOR
FIELD
IN -
IN +
OUT - OUT +
2
1
4
3
R AMM
P AMM
LOW
VOLTAGE
MONITOR
B
G
F
50 mv
100A
SHUNT
VOLT REG
&
OVER VOLT
RELAY
DIM RELAY
NITE
DAY
P2B 20
RED
FUSE
ASSEMBLY
5A 5A 5A
P3A 4
BLUE
P2C 20
P3B 4
R1
P1
6
9
1
2
KL
H8
5
9
B
1
2
1
435
P9C 20
P8C 20
4
3
8
5
AUX
66
P2 R2
W2B 20
W2D 20
W2C 20
1/4 A
P8B 20
P8A 20
P9B 20
P9A 20
P5G 20
P5D 20
6
P5C 20
5A 1A
9
7
P6A 20
P5A 20P5B 20
P6B 20
P5F 20
11 12
P6C 20
P6D 20N
W2A 20
P AMM
J AMM
ALT
OUT
SWITCH
BLK
6
9
TO
ANNUN
PNL
BLACK
ELECTRICAL BUS
12
P3D 4
W2C 20
RED
GRN
10
RED
GRN
BLK
3
2
1
ALT
SWITCH
P2D 20
DN18A 22N
5A
ALTERNATOR
AMMETER
CONTROL ASSY AMMETER DIMMING
DN17B 22
P2A 20
DC CONVERTER
(28 VDC TO 5 VDC)
85423 F
104295 F
Alternator Power
Figure 1 (Sheet 1 of 2)

Table of Contents

Related product manuals