EasyManua.ls Logo

Piper Warrior III - FLIGHT COMPARTMENT; PILOT’S SEAT LOCK AND RELEASE RIGGING

Piper Warrior III
1104 pages
Print Icon
To Next Page IconTo Next Page
To Next Page IconTo Next Page
To Previous Page IconTo Previous Page
To Previous Page IconTo Previous Page
Loading...
PIPER AIRCRAFT, INC.
PA-28-161, WARRIOR III
MAINTENANCE MANUAL
PAGE 1
Nov 30/06
2F11
25-10-00
FLIGHT COMPARTMENT
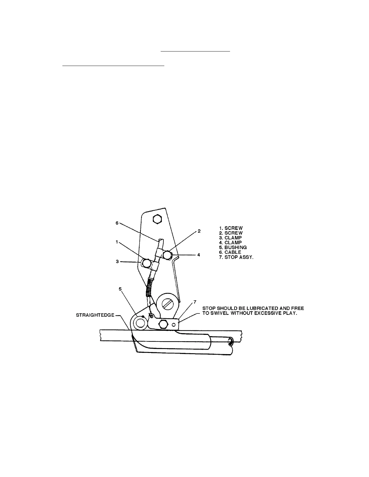
1. Pilot’s Seat Lock and Release Rigging (Refer to Figure 1.)
A. Loosen screws and loosen clamps to allow push-pull cable to move within the clamps.
B. Place a straightedge along lower surface of seat back release bushing.
C. Adjust push-pull cable by raising or lowering until lower surface of the stop assembly is parallel to
straightedge.
D. Secure push-pull cable in position by tightening screws on clamps. The stop must be lubricated and
free to swivel without excessive play.
E. Push on seat back to check stop assembly engagement. Rotate seat back release handle and
check for seat back disengagement.
Seat Back Lock
Figure 1

Table of Contents

Related product manuals